ГОСТ 9330-2016 Основные соединения деталей из древесины и древесных материалов. Типы и размеры

Категории ГОСТ 9330-2016 по ОКС:
Статус документа:
действует, введён в действие 01.03.2017
Название на английском языке:
Principal joints of details of wood and wooden materials. Types and dimensions
Дата актуализации информации по стандарту:
26.10.2025, в 22:57 (менее 3 месяцев назад)
Вид стандарта:
Стандарты на продукцию (услуги)
Дата начала действия ГОСТа:
2017-03-01
Дата последнего издания документа:
2016-08-12
Число страниц:
16
Назначение ГОСТ 9330-2016:
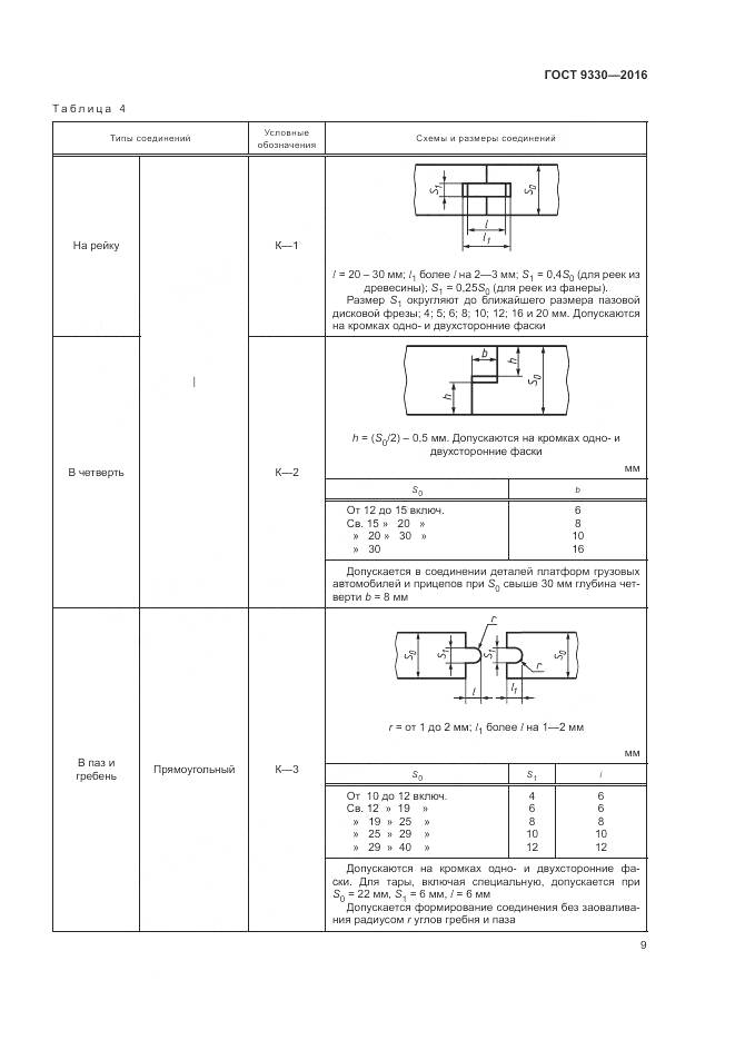
Настоящий стандарт распространяется на основные шиповые соединения деталей из древесины и древесных материалов и устанавливает их типы и размеры
Документ разработан орг-ей:
Федеральное агентство по техническому регулированию и метрологии (Росстандарт)
Документ принят орг-ей:
Межгосударственный Совет по стандартизации метрологии и сертификации, протокол №86-П
Ключевые слова документа:
древесина, древесные материалы, типы и размеры

Скачать ГОСТ 9330-2016 вы можете в следующих версиях:

Тип файла:
Дата добавления:
Загрузок:
Размер:
Тип файла:
PDF с изображениями
Добавлен:
20/11/2025 15:28
Скачиваний:
3
Размер файла:
0.77 Мб
  • ГОСТ 9330-2016, страница 1 страница 1
  • ГОСТ 9330-2016, страница 2 страница 2
  • ГОСТ 9330-2016, страница 3 страница 3
  • ГОСТ 9330-2016, страница 4 страница 4
  • ГОСТ 9330-2016, страница 5 страница 5
  • ГОСТ 9330-2016, страница 6 страница 6
  • ГОСТ 9330-2016, страница 7 страница 7
  • ГОСТ 9330-2016, страница 8 страница 8
  • ГОСТ 9330-2016, страница 9 страница 9
  • ГОСТ 9330-2016, страница 10 страница 10
  • ГОСТ 9330-2016, страница 11 страница 11
  • ГОСТ 9330-2016, страница 12 страница 12
  • ГОСТ 9330-2016, страница 13 страница 13
  • ГОСТ 9330-2016, страница 14 страница 14
  • ГОСТ 9330-2016, страница 15 страница 15
  • ГОСТ 9330-2016, страница 16 страница 16