ГОСТ 9064-75
ГОСТ 9064-75 Гайки для фланцевых соединений с температурой среды от 0 до 650 °С. Типы и основные размеры
Категории ГОСТ 9064-75 по ОКС:- Статус документа:
- действует, введён в действие 01.01.1976
- Название на английском языке:
- Nuts for flanged connections with medium temperature 0 to 650 °C. Types and main dimensions
- Дата актуализации информации по стандарту:
- 30.07.2025, в 17:04 (менее полугода назад)
- Вид стандарта:
- Стандарты на продукцию (услуги)
- Дата начала действия ГОСТа:
- 1976-01-01
- Дата последнего издания документа:
- 2004-03-01
Коды документа ГОСТ 9064-75:
- Код ОКП:
- 168000;370000
- Код КГС:
- Г18
- Код ОКСТУ:
- 3702;1680
- Число страниц:
- 7
- Назначение ГОСТ 9064-75:
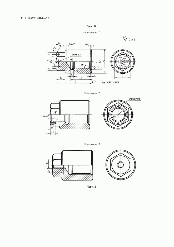
- Настоящий стандарт распространяется на гайки шестигранные и колпачковые для фланцевых соединений паровых и газовых турбин, паровых котлов, трубопроводов и соединительных частей, арматуры, приборов, аппаратов и резервуаров с температурой среды от 0 до 650 град. С. Стандарт не распространяется на фланцевые соединения объектов, подведомственных Госгортехнадзору СССР, с условным давлением Ру менее 4 МПа
- ГРНТИ индекс(ы):
- 733935
Нормативные ссылки, связанные с ГОСТ 9064-75:
- Стандарт ссылается на ГОСТы:
- ГОСТ 10549-80, ГОСТ 20700-75, ГОСТ 24705-81
- На стандарт ссылаются:
- ГОСТ 28759.5-90, ГОСТ 8050-85, ГОСТ 20700-75
Скачать ГОСТ 9064-75 вы можете в следующих версиях:
Тип файла:
Дата добавления:
Загрузок:
Размер:
Ссылка на скачивание:
Добавлен:
12/12/2011 02:03
Скачиваний:
1039
Размер файла:
0.3 Мб
Ссылка для скачивания:
Добавлен:
12/12/2011 01:57
Скачиваний:
2393
Размер файла:
0.35 Мб
Ссылка для скачивания:
Поправки и изменения к ГОСТ 9064-75:
-
Наименование, вид:Датарегистрации:начала действия:Ссылка:
-
Изменение №1 к ГОСТ 9064-75
Тип изменения: Текстовое изменение
Номер изменения: 1
Регистрационный номер: 3119
1980-06-271981-01-01 -
Изменение №2 к ГОСТ 9064-75
Тип изменения: Текстовое изменение
Номер изменения: 2
Регистрационный номер: 4667
Новое значение: -
1985-12-271986-07-01
-
страница 1
-
страница 2
-
страница 3
-
страница 4
-
страница 5
-
страница 6
-
страница 7