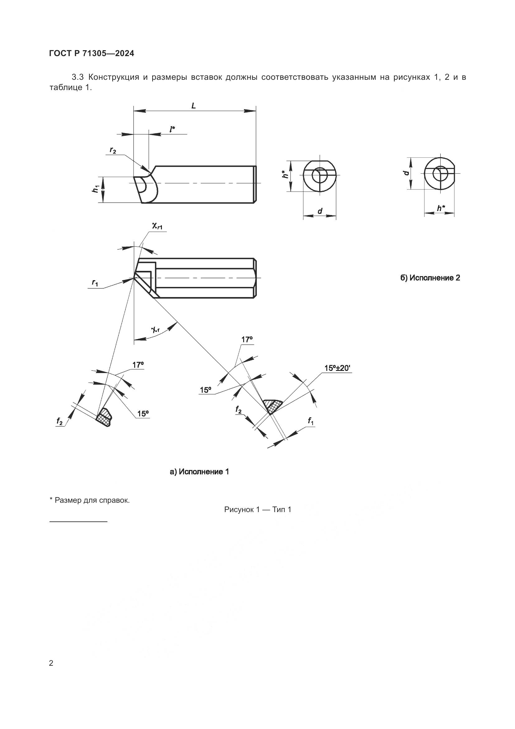
ГОСТ Р 71305-2024 Вставки режущие, оснащенные поликристаллами твердого нитрида бора, для торцовых насадных фрез. Основные размеры

Категории ГОСТ Р 71305-2024 по ОКС:
Статус документа:
действует, введён в действие 01.07.2025
Название на английском языке:
Cutting inserts with solid polycrystals boron nitride for face milling cutters. Basic dimensions
Дата актуализации информации по стандарту:
25.08.2025, в 12:27 (менее 3 месяцев назад)
Вид стандарта:
временно не известен
Дата начала действия ГОСТа:
2025-07-01
Число страниц:
8
Назначение ГОСТ Р 71305-2024:
не указано
Нормативные ссылки, связанные с ГОСТ Р 71305-2024:

Скачать ГОСТ Р 71305-2024 вы можете в следующих версиях:

В данный момент версий документа для скачивания не добавлено.

Мы стараемся пополнять базу документов еженедельно и из разных источников, в обозримом будущем версии для этого ГОСТа появятся.

Вы можете просмотреть online текст стандарта ГОСТ Р 71305-2024

Просмотреть текст ГОСТ Р 71305-2024

Текст стандарта

  • ГОСТ Р 71305-2024, страница 1 страница 1
  • ГОСТ Р 71305-2024, страница 2 страница 2
  • ГОСТ Р 71305-2024, страница 3 страница 3
  • ГОСТ Р 71305-2024, страница 4 страница 4
  • ГОСТ Р 71305-2024, страница 5 страница 5
  • ГОСТ Р 71305-2024, страница 6 страница 6
  • ГОСТ Р 71305-2024, страница 7 страница 7
  • ГОСТ Р 71305-2024, страница 8 страница 8