ГОСТ Р 70661-2023 Единая энергетическая система и изолированно работающие энергосистемы. Релейная защита и автоматика. Устройства автоматического регулирования частоты и активной мощности гидроагрегатов гидравлических и гидроаккумулирующих электростанций. Нормы и требования

Категории ГОСТ Р 70661-2023 по ОКС:
Статус документа:
действует, введён в действие 01.04.2023
Название на английском языке:
United power system and isolated power systems. Relay protection and automatic. Automatic control devices of frequency and active power of hydraulic power units of hydraulic and pumped storage power plants. Norms and requirements
Дата актуализации информации по стандарту:
19.08.2025, в 08:24 (менее 3 месяцев назад)
Вид стандарта:
временно не известен
Дата начала действия ГОСТа:
2023-04-01
Число страниц:
46
Назначение ГОСТ Р 70661-2023:
не указано
Нормативные ссылки, связанные с ГОСТ Р 70661-2023:

Скачать ГОСТ Р 70661-2023 вы можете в следующих версиях:

В данный момент версий документа для скачивания не добавлено.

Мы стараемся пополнять базу документов еженедельно и из разных источников, в обозримом будущем версии для этого ГОСТа появятся.

Вы можете просмотреть online текст стандарта ГОСТ Р 70661-2023

Просмотреть текст ГОСТ Р 70661-2023

Текст стандарта

  • ГОСТ Р 70661-2023, страница 1 страница 1
  • ГОСТ Р 70661-2023, страница 2 страница 2
  • ГОСТ Р 70661-2023, страница 3 страница 3
  • ГОСТ Р 70661-2023, страница 4 страница 4
  • ГОСТ Р 70661-2023, страница 5 страница 5
  • ГОСТ Р 70661-2023, страница 6 страница 6
  • ГОСТ Р 70661-2023, страница 7 страница 7
  • ГОСТ Р 70661-2023, страница 8 страница 8
  • ГОСТ Р 70661-2023, страница 9 страница 9
  • ГОСТ Р 70661-2023, страница 10 страница 10
  • ГОСТ Р 70661-2023, страница 11 страница 11
  • ГОСТ Р 70661-2023, страница 12 страница 12
  • ГОСТ Р 70661-2023, страница 13 страница 13
  • ГОСТ Р 70661-2023, страница 14 страница 14
  • ГОСТ Р 70661-2023, страница 15 страница 15
  • ГОСТ Р 70661-2023, страница 16 страница 16
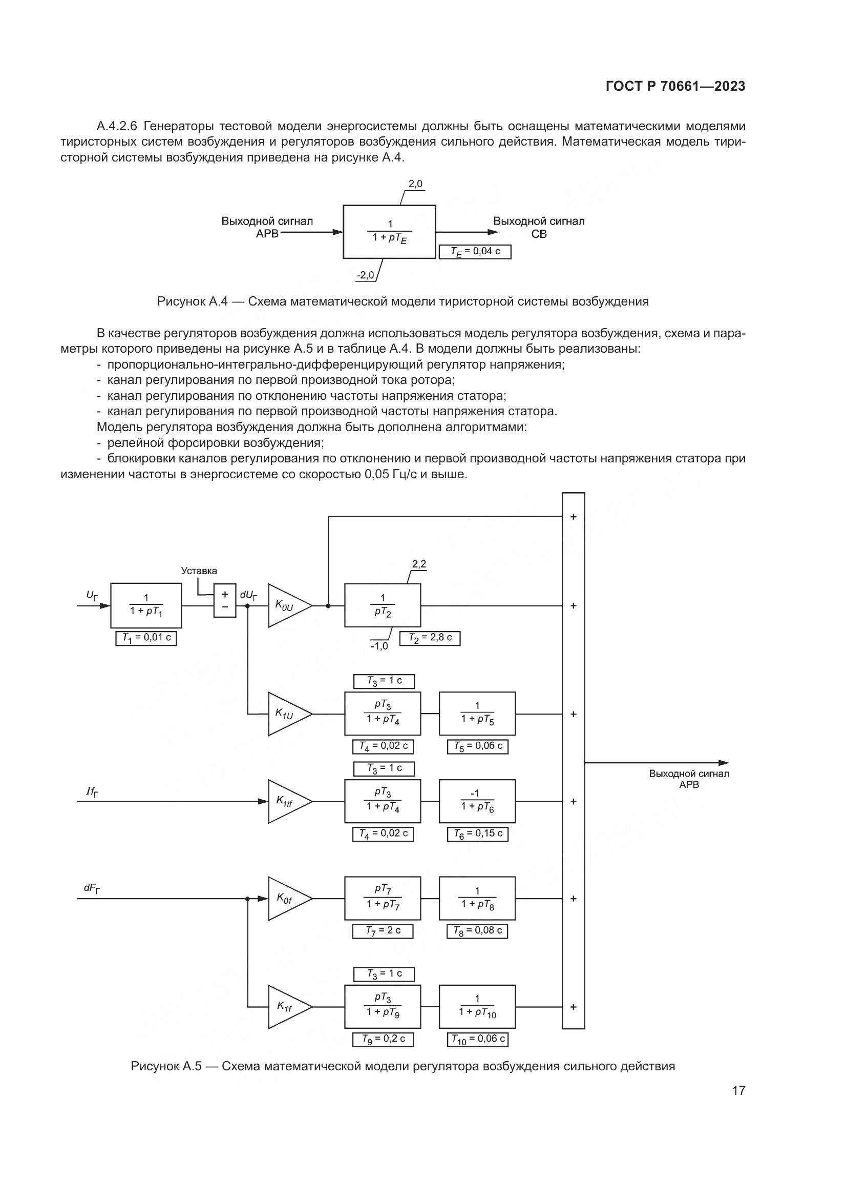
  • ГОСТ Р 70661-2023, страница 17 страница 17
  • ГОСТ Р 70661-2023, страница 18 страница 18
  • ГОСТ Р 70661-2023, страница 19 страница 19
  • ГОСТ Р 70661-2023, страница 20 страница 20
  • ГОСТ Р 70661-2023, страница 21 страница 21
  • ГОСТ Р 70661-2023, страница 22 страница 22
  • ГОСТ Р 70661-2023, страница 23 страница 23
  • ГОСТ Р 70661-2023, страница 24 страница 24
  • ГОСТ Р 70661-2023, страница 25 страница 25
  • ГОСТ Р 70661-2023, страница 26 страница 26
  • ГОСТ Р 70661-2023, страница 27 страница 27
  • ГОСТ Р 70661-2023, страница 28 страница 28
  • ГОСТ Р 70661-2023, страница 29 страница 29
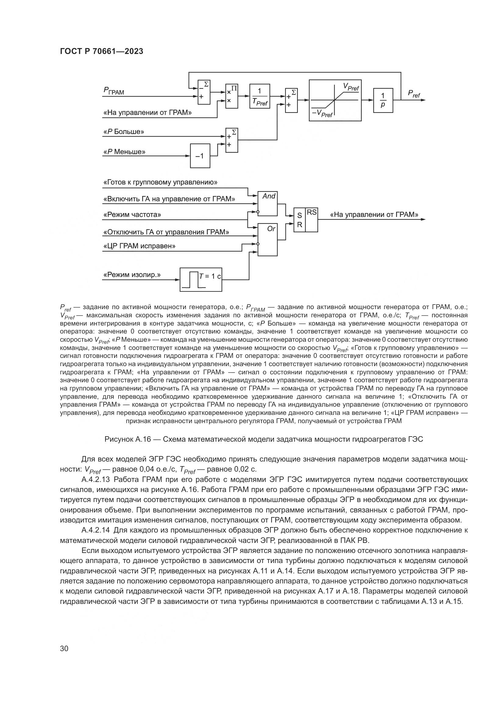
  • ГОСТ Р 70661-2023, страница 30 страница 30
  • ГОСТ Р 70661-2023, страница 31 страница 31
  • ГОСТ Р 70661-2023, страница 32 страница 32
  • ГОСТ Р 70661-2023, страница 33 страница 33
  • ГОСТ Р 70661-2023, страница 34 страница 34
  • ГОСТ Р 70661-2023, страница 35 страница 35
  • ГОСТ Р 70661-2023, страница 36 страница 36
  • ГОСТ Р 70661-2023, страница 37 страница 37
  • ГОСТ Р 70661-2023, страница 38 страница 38
  • ГОСТ Р 70661-2023, страница 39 страница 39
  • ГОСТ Р 70661-2023, страница 40 страница 40
  • ГОСТ Р 70661-2023, страница 41 страница 41
  • ГОСТ Р 70661-2023, страница 42 страница 42
  • ГОСТ Р 70661-2023, страница 43 страница 43
  • ГОСТ Р 70661-2023, страница 44 страница 44
  • ГОСТ Р 70661-2023, страница 45 страница 45
  • ГОСТ Р 70661-2023, страница 46 страница 46