ГОСТ IEC 62955-2021 Устройство обнаружения постоянного дифференциального тока (RDC-DD), используемое для зарядки электромобилей в режиме 3

Категории ГОСТ IEC 62955-2021 по ОКС:
Статус документа:
действует, введён в действие 01.03.2022
Название на английском языке:
Residual direct current detecting device (RDC-DD) to be used for mode 3 charging of electric vehicles
Дата актуализации информации по стандарту:
11.08.2025, в 13:34 (менее 3 месяцев назад)
Вид стандарта:
временно не известен
Дата начала действия ГОСТа:
2022-03-01
Число страниц:
131
Назначение ГОСТ IEC 62955-2021:
не указано
Нормативные ссылки, связанные с ГОСТ IEC 62955-2021:

Скачать ГОСТ IEC 62955-2021 вы можете в следующих версиях:

В данный момент версий документа для скачивания не добавлено.

Мы стараемся пополнять базу документов еженедельно и из разных источников, в обозримом будущем версии для этого ГОСТа появятся.

Вы можете просмотреть online текст стандарта ГОСТ IEC 62955-2021

Просмотреть текст ГОСТ IEC 62955-2021

Текст стандарта

  • ГОСТ IEC 62955-2021, страница 1 страница 1
  • ГОСТ IEC 62955-2021, страница 2 страница 2
  • ГОСТ IEC 62955-2021, страница 3 страница 3
  • ГОСТ IEC 62955-2021, страница 4 страница 4
  • ГОСТ IEC 62955-2021, страница 5 страница 5
  • ГОСТ IEC 62955-2021, страница 6 страница 6
  • ГОСТ IEC 62955-2021, страница 7 страница 7
  • ГОСТ IEC 62955-2021, страница 8 страница 8
  • ГОСТ IEC 62955-2021, страница 9 страница 9
  • ГОСТ IEC 62955-2021, страница 10 страница 10
  • ГОСТ IEC 62955-2021, страница 11 страница 11
  • ГОСТ IEC 62955-2021, страница 12 страница 12
  • ГОСТ IEC 62955-2021, страница 13 страница 13
  • ГОСТ IEC 62955-2021, страница 14 страница 14
  • ГОСТ IEC 62955-2021, страница 15 страница 15
  • ГОСТ IEC 62955-2021, страница 16 страница 16
  • ГОСТ IEC 62955-2021, страница 17 страница 17
  • ГОСТ IEC 62955-2021, страница 18 страница 18
  • ГОСТ IEC 62955-2021, страница 19 страница 19
  • ГОСТ IEC 62955-2021, страница 20 страница 20
  • ГОСТ IEC 62955-2021, страница 21 страница 21
  • ГОСТ IEC 62955-2021, страница 22 страница 22
  • ГОСТ IEC 62955-2021, страница 23 страница 23
  • ГОСТ IEC 62955-2021, страница 24 страница 24
  • ГОСТ IEC 62955-2021, страница 25 страница 25
  • ГОСТ IEC 62955-2021, страница 26 страница 26
  • ГОСТ IEC 62955-2021, страница 27 страница 27
  • ГОСТ IEC 62955-2021, страница 28 страница 28
  • ГОСТ IEC 62955-2021, страница 29 страница 29
  • ГОСТ IEC 62955-2021, страница 30 страница 30
  • ГОСТ IEC 62955-2021, страница 31 страница 31
  • ГОСТ IEC 62955-2021, страница 32 страница 32
  • ГОСТ IEC 62955-2021, страница 33 страница 33
  • ГОСТ IEC 62955-2021, страница 34 страница 34
  • ГОСТ IEC 62955-2021, страница 35 страница 35
  • ГОСТ IEC 62955-2021, страница 36 страница 36
  • ГОСТ IEC 62955-2021, страница 37 страница 37
  • ГОСТ IEC 62955-2021, страница 38 страница 38
  • ГОСТ IEC 62955-2021, страница 39 страница 39
  • ГОСТ IEC 62955-2021, страница 40 страница 40
  • ГОСТ IEC 62955-2021, страница 41 страница 41
  • ГОСТ IEC 62955-2021, страница 42 страница 42
  • ГОСТ IEC 62955-2021, страница 43 страница 43
  • ГОСТ IEC 62955-2021, страница 44 страница 44
  • ГОСТ IEC 62955-2021, страница 45 страница 45
  • ГОСТ IEC 62955-2021, страница 46 страница 46
  • ГОСТ IEC 62955-2021, страница 47 страница 47
  • ГОСТ IEC 62955-2021, страница 48 страница 48
  • ГОСТ IEC 62955-2021, страница 49 страница 49
  • ГОСТ IEC 62955-2021, страница 50 страница 50
  • ГОСТ IEC 62955-2021, страница 51 страница 51
  • ГОСТ IEC 62955-2021, страница 52 страница 52
  • ГОСТ IEC 62955-2021, страница 53 страница 53
  • ГОСТ IEC 62955-2021, страница 54 страница 54
  • ГОСТ IEC 62955-2021, страница 55 страница 55
  • ГОСТ IEC 62955-2021, страница 56 страница 56
  • ГОСТ IEC 62955-2021, страница 57 страница 57
  • ГОСТ IEC 62955-2021, страница 58 страница 58
  • ГОСТ IEC 62955-2021, страница 59 страница 59
  • ГОСТ IEC 62955-2021, страница 60 страница 60
  • ГОСТ IEC 62955-2021, страница 61 страница 61
  • ГОСТ IEC 62955-2021, страница 62 страница 62
  • ГОСТ IEC 62955-2021, страница 63 страница 63
  • ГОСТ IEC 62955-2021, страница 64 страница 64
  • ГОСТ IEC 62955-2021, страница 65 страница 65
  • ГОСТ IEC 62955-2021, страница 66 страница 66
  • ГОСТ IEC 62955-2021, страница 67 страница 67
  • ГОСТ IEC 62955-2021, страница 68 страница 68
  • ГОСТ IEC 62955-2021, страница 69 страница 69
  • ГОСТ IEC 62955-2021, страница 70 страница 70
  • ГОСТ IEC 62955-2021, страница 71 страница 71
  • ГОСТ IEC 62955-2021, страница 72 страница 72
  • ГОСТ IEC 62955-2021, страница 73 страница 73
  • ГОСТ IEC 62955-2021, страница 74 страница 74
  • ГОСТ IEC 62955-2021, страница 75 страница 75
  • ГОСТ IEC 62955-2021, страница 76 страница 76
  • ГОСТ IEC 62955-2021, страница 77 страница 77
  • ГОСТ IEC 62955-2021, страница 78 страница 78
  • ГОСТ IEC 62955-2021, страница 79 страница 79
  • ГОСТ IEC 62955-2021, страница 80 страница 80
  • ГОСТ IEC 62955-2021, страница 81 страница 81
  • ГОСТ IEC 62955-2021, страница 82 страница 82
  • ГОСТ IEC 62955-2021, страница 83 страница 83
  • ГОСТ IEC 62955-2021, страница 84 страница 84
  • ГОСТ IEC 62955-2021, страница 85 страница 85
  • ГОСТ IEC 62955-2021, страница 86 страница 86
  • ГОСТ IEC 62955-2021, страница 87 страница 87
  • ГОСТ IEC 62955-2021, страница 88 страница 88
  • ГОСТ IEC 62955-2021, страница 89 страница 89
  • ГОСТ IEC 62955-2021, страница 90 страница 90
  • ГОСТ IEC 62955-2021, страница 91 страница 91
  • ГОСТ IEC 62955-2021, страница 92 страница 92
  • ГОСТ IEC 62955-2021, страница 93 страница 93
  • ГОСТ IEC 62955-2021, страница 94 страница 94
  • ГОСТ IEC 62955-2021, страница 95 страница 95
  • ГОСТ IEC 62955-2021, страница 96 страница 96
  • ГОСТ IEC 62955-2021, страница 97 страница 97
  • ГОСТ IEC 62955-2021, страница 98 страница 98
  • ГОСТ IEC 62955-2021, страница 99 страница 99
  • ГОСТ IEC 62955-2021, страница 100 страница 100
  • ГОСТ IEC 62955-2021, страница 101 страница 101
  • ГОСТ IEC 62955-2021, страница 102 страница 102
  • ГОСТ IEC 62955-2021, страница 103 страница 103
  • ГОСТ IEC 62955-2021, страница 104 страница 104
  • ГОСТ IEC 62955-2021, страница 105 страница 105
  • ГОСТ IEC 62955-2021, страница 106 страница 106
  • ГОСТ IEC 62955-2021, страница 107 страница 107
  • ГОСТ IEC 62955-2021, страница 108 страница 108
  • ГОСТ IEC 62955-2021, страница 109 страница 109
  • ГОСТ IEC 62955-2021, страница 110 страница 110
  • ГОСТ IEC 62955-2021, страница 111 страница 111
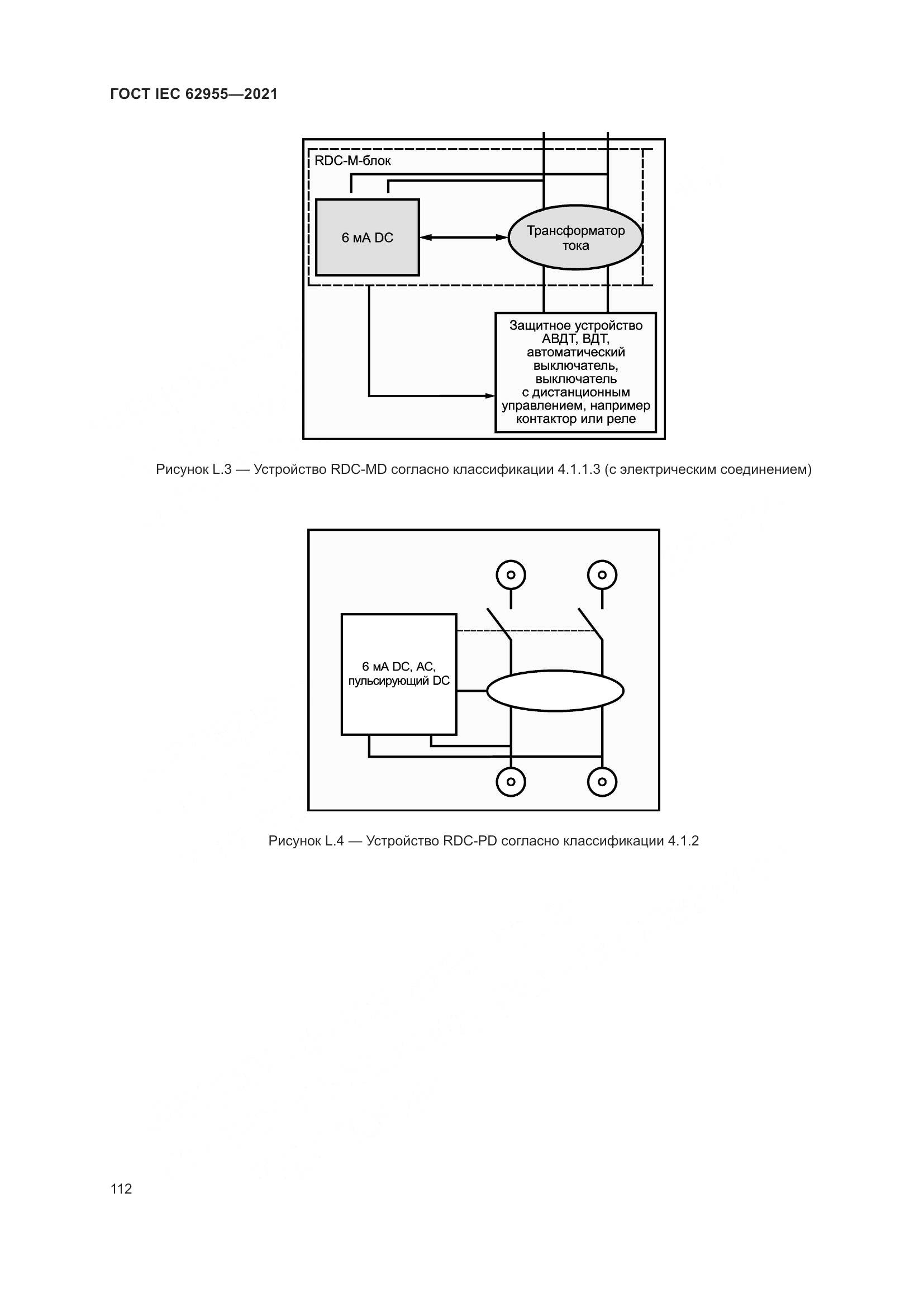
  • ГОСТ IEC 62955-2021, страница 112 страница 112
  • ГОСТ IEC 62955-2021, страница 113 страница 113
  • ГОСТ IEC 62955-2021, страница 114 страница 114
  • ГОСТ IEC 62955-2021, страница 115 страница 115
  • ГОСТ IEC 62955-2021, страница 116 страница 116
  • ГОСТ IEC 62955-2021, страница 117 страница 117
  • ГОСТ IEC 62955-2021, страница 118 страница 118
  • ГОСТ IEC 62955-2021, страница 119 страница 119
  • ГОСТ IEC 62955-2021, страница 120 страница 120
  • ГОСТ IEC 62955-2021, страница 121 страница 121
  • ГОСТ IEC 62955-2021, страница 122 страница 122
  • ГОСТ IEC 62955-2021, страница 123 страница 123
  • ГОСТ IEC 62955-2021, страница 124 страница 124
  • ГОСТ IEC 62955-2021, страница 125 страница 125
  • ГОСТ IEC 62955-2021, страница 126 страница 126
  • ГОСТ IEC 62955-2021, страница 127 страница 127
  • ГОСТ IEC 62955-2021, страница 128 страница 128
  • ГОСТ IEC 62955-2021, страница 129 страница 129
  • ГОСТ IEC 62955-2021, страница 130 страница 130
  • ГОСТ IEC 62955-2021, страница 131 страница 131