ГОСТ IEC 60127-2-2023 Предохранители миниатюрные плавкие. Часть 2. Трубчатые плавкие вставки

Категории ГОСТ IEC 60127-2-2023 по ОКС:
Статус документа:
действует, введён в действие 01.06.2024
Название на английском языке:
Miniature fuses. Part 2. Cartridge fuse-links
Дата актуализации информации по стандарту:
19.08.2025, в 12:09 (менее полугода назад)
Вид стандарта:
временно не известен
Дата начала действия ГОСТа:
2024-06-01
Число страниц:
46
Назначение ГОСТ IEC 60127-2-2023:
не указано

Скачать ГОСТ IEC 60127-2-2023 вы можете в следующих версиях:

Тип файла:
Дата добавления:
Загрузок:
Размер:
Тип файла:
PDF с изображениями
Добавлен:
22/11/2025 04:01
Скачиваний:
31
Размер файла:
9.19 Мб
  • ГОСТ IEC 60127-2-2023, страница 1 страница 1
  • ГОСТ IEC 60127-2-2023, страница 2 страница 2
  • ГОСТ IEC 60127-2-2023, страница 3 страница 3
  • ГОСТ IEC 60127-2-2023, страница 4 страница 4
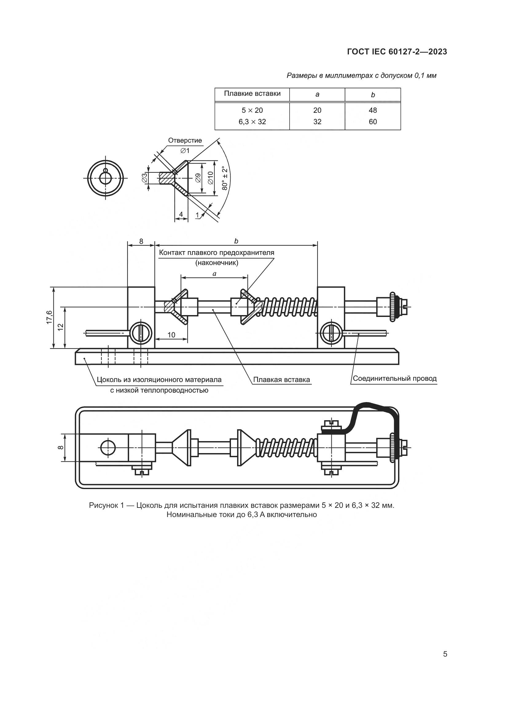
  • ГОСТ IEC 60127-2-2023, страница 5 страница 5
  • ГОСТ IEC 60127-2-2023, страница 6 страница 6
  • ГОСТ IEC 60127-2-2023, страница 7 страница 7
  • ГОСТ IEC 60127-2-2023, страница 8 страница 8
  • ГОСТ IEC 60127-2-2023, страница 9 страница 9
  • ГОСТ IEC 60127-2-2023, страница 10 страница 10
  • ГОСТ IEC 60127-2-2023, страница 11 страница 11
  • ГОСТ IEC 60127-2-2023, страница 12 страница 12
  • ГОСТ IEC 60127-2-2023, страница 13 страница 13
  • ГОСТ IEC 60127-2-2023, страница 14 страница 14
  • ГОСТ IEC 60127-2-2023, страница 15 страница 15
  • ГОСТ IEC 60127-2-2023, страница 16 страница 16
  • ГОСТ IEC 60127-2-2023, страница 17 страница 17
  • ГОСТ IEC 60127-2-2023, страница 18 страница 18
  • ГОСТ IEC 60127-2-2023, страница 19 страница 19
  • ГОСТ IEC 60127-2-2023, страница 20 страница 20
  • ГОСТ IEC 60127-2-2023, страница 21 страница 21
  • ГОСТ IEC 60127-2-2023, страница 22 страница 22
  • ГОСТ IEC 60127-2-2023, страница 23 страница 23
  • ГОСТ IEC 60127-2-2023, страница 24 страница 24
  • ГОСТ IEC 60127-2-2023, страница 25 страница 25
  • ГОСТ IEC 60127-2-2023, страница 26 страница 26
  • ГОСТ IEC 60127-2-2023, страница 27 страница 27
  • ГОСТ IEC 60127-2-2023, страница 28 страница 28
  • ГОСТ IEC 60127-2-2023, страница 29 страница 29
  • ГОСТ IEC 60127-2-2023, страница 30 страница 30
  • ГОСТ IEC 60127-2-2023, страница 31 страница 31
  • ГОСТ IEC 60127-2-2023, страница 32 страница 32
  • ГОСТ IEC 60127-2-2023, страница 33 страница 33
  • ГОСТ IEC 60127-2-2023, страница 34 страница 34
  • ГОСТ IEC 60127-2-2023, страница 35 страница 35
  • ГОСТ IEC 60127-2-2023, страница 36 страница 36
  • ГОСТ IEC 60127-2-2023, страница 37 страница 37
  • ГОСТ IEC 60127-2-2023, страница 38 страница 38
  • ГОСТ IEC 60127-2-2023, страница 39 страница 39
  • ГОСТ IEC 60127-2-2023, страница 40 страница 40
  • ГОСТ IEC 60127-2-2023, страница 41 страница 41
  • ГОСТ IEC 60127-2-2023, страница 42 страница 42
  • ГОСТ IEC 60127-2-2023, страница 43 страница 43
  • ГОСТ IEC 60127-2-2023, страница 44 страница 44
  • ГОСТ IEC 60127-2-2023, страница 45 страница 45
  • ГОСТ IEC 60127-2-2023, страница 46 страница 46