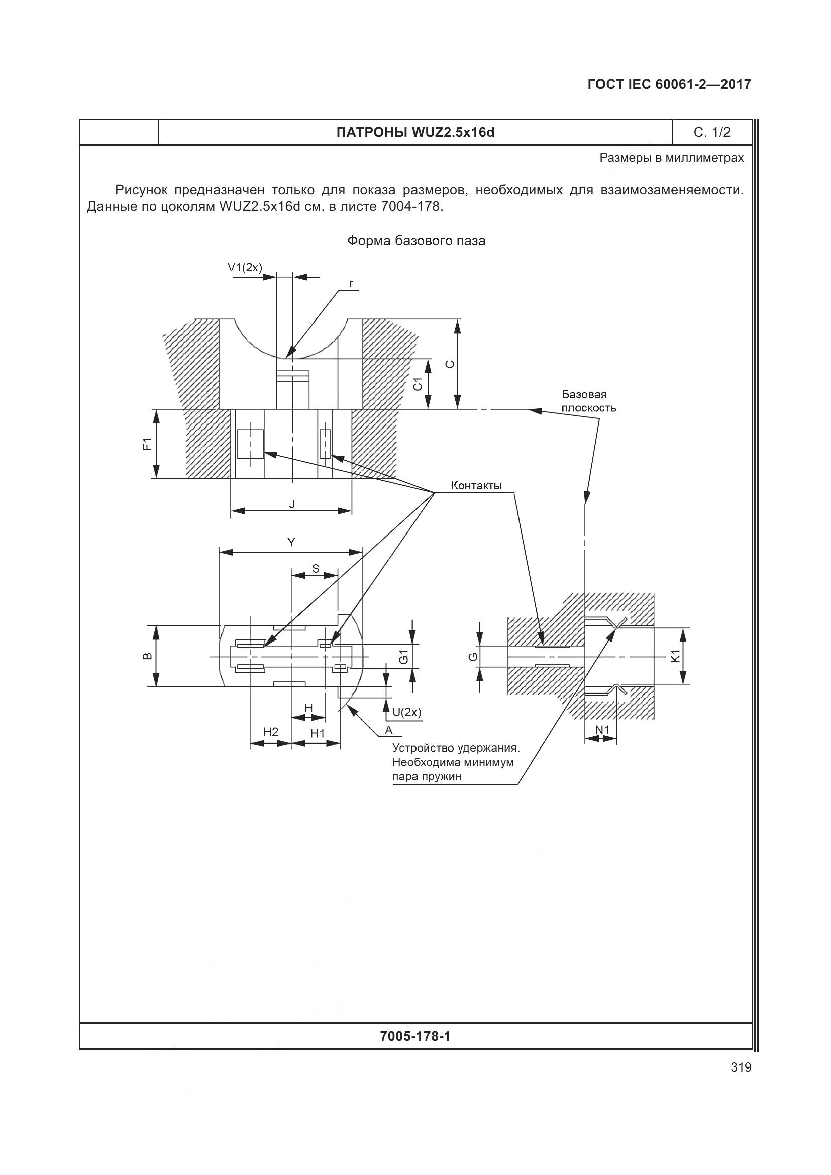
ГОСТ IEC 60061-2-2017 Цоколи и патроны для источников света с калибрами для проверки взаимозаменяемости и безопасности. Часть 2. Патроны

Категории ГОСТ IEC 60061-2-2017 по ОКС:
Статус документа:
действует, введён в действие 01.03.2019
Название на английском языке:
Lamp caps and holders for light sources together with gauges for the control of interchangeability and safety. Part 2. Holders
Дата актуализации информации по стандарту:
19.06.2025, в 19:35 (менее полугода назад)
Вид стандарта:
Стандарты на продукцию (услуги)
Дата начала действия ГОСТа:
2019-03-01
Дата последнего издания документа:
2018-11-21
Коды документа ГОСТ IEC 60061-2-2017:
Код ОКП:
346600
Число страниц:
344
Назначение ГОСТ IEC 60061-2-2017:
-
Документ разработан орг-ей:
Федеральное агентство по техническому регулированию и метрологии (Росстандарт)
Документ принят орг-ей:
Межгосударственный Совет по стандартизации метрологии и сертификации, протокол №52-2017
Нормативные ссылки, связанные с ГОСТ IEC 60061-2-2017:

Скачать ГОСТ IEC 60061-2-2017 вы можете в следующих версиях:

В данный момент версий документа для скачивания не добавлено.

Мы стараемся пополнять базу документов еженедельно и из разных источников, в обозримом будущем версии для этого ГОСТа появятся.

Вы можете просмотреть online текст стандарта ГОСТ IEC 60061-2-2017

Просмотреть текст ГОСТ IEC 60061-2-2017

Текст стандарта

  • ГОСТ IEC 60061-2-2017, страница 1 страница 1
  • ГОСТ IEC 60061-2-2017, страница 2 страница 2
  • ГОСТ IEC 60061-2-2017, страница 3 страница 3
  • ГОСТ IEC 60061-2-2017, страница 4 страница 4
  • ГОСТ IEC 60061-2-2017, страница 5 страница 5
  • ГОСТ IEC 60061-2-2017, страница 6 страница 6
  • ГОСТ IEC 60061-2-2017, страница 7 страница 7
  • ГОСТ IEC 60061-2-2017, страница 8 страница 8
  • ГОСТ IEC 60061-2-2017, страница 9 страница 9
  • ГОСТ IEC 60061-2-2017, страница 10 страница 10
  • ГОСТ IEC 60061-2-2017, страница 11 страница 11
  • ГОСТ IEC 60061-2-2017, страница 12 страница 12
  • ГОСТ IEC 60061-2-2017, страница 13 страница 13
  • ГОСТ IEC 60061-2-2017, страница 14 страница 14
  • ГОСТ IEC 60061-2-2017, страница 15 страница 15
  • ГОСТ IEC 60061-2-2017, страница 16 страница 16
  • ГОСТ IEC 60061-2-2017, страница 17 страница 17
  • ГОСТ IEC 60061-2-2017, страница 18 страница 18
  • ГОСТ IEC 60061-2-2017, страница 19 страница 19
  • ГОСТ IEC 60061-2-2017, страница 20 страница 20
  • ГОСТ IEC 60061-2-2017, страница 21 страница 21
  • ГОСТ IEC 60061-2-2017, страница 22 страница 22
  • ГОСТ IEC 60061-2-2017, страница 23 страница 23
  • ГОСТ IEC 60061-2-2017, страница 24 страница 24
  • ГОСТ IEC 60061-2-2017, страница 25 страница 25
  • ГОСТ IEC 60061-2-2017, страница 26 страница 26
  • ГОСТ IEC 60061-2-2017, страница 27 страница 27
  • ГОСТ IEC 60061-2-2017, страница 28 страница 28
  • ГОСТ IEC 60061-2-2017, страница 29 страница 29
  • ГОСТ IEC 60061-2-2017, страница 30 страница 30
  • ГОСТ IEC 60061-2-2017, страница 31 страница 31
  • ГОСТ IEC 60061-2-2017, страница 32 страница 32
  • ГОСТ IEC 60061-2-2017, страница 33 страница 33
  • ГОСТ IEC 60061-2-2017, страница 34 страница 34
  • ГОСТ IEC 60061-2-2017, страница 35 страница 35
  • ГОСТ IEC 60061-2-2017, страница 36 страница 36
  • ГОСТ IEC 60061-2-2017, страница 37 страница 37
  • ГОСТ IEC 60061-2-2017, страница 38 страница 38
  • ГОСТ IEC 60061-2-2017, страница 39 страница 39
  • ГОСТ IEC 60061-2-2017, страница 40 страница 40
  • ГОСТ IEC 60061-2-2017, страница 41 страница 41
  • ГОСТ IEC 60061-2-2017, страница 42 страница 42
  • ГОСТ IEC 60061-2-2017, страница 43 страница 43
  • ГОСТ IEC 60061-2-2017, страница 44 страница 44
  • ГОСТ IEC 60061-2-2017, страница 45 страница 45
  • ГОСТ IEC 60061-2-2017, страница 46 страница 46
  • ГОСТ IEC 60061-2-2017, страница 47 страница 47
  • ГОСТ IEC 60061-2-2017, страница 48 страница 48
  • ГОСТ IEC 60061-2-2017, страница 49 страница 49
  • ГОСТ IEC 60061-2-2017, страница 50 страница 50
  • ГОСТ IEC 60061-2-2017, страница 51 страница 51
  • ГОСТ IEC 60061-2-2017, страница 52 страница 52
  • ГОСТ IEC 60061-2-2017, страница 53 страница 53
  • ГОСТ IEC 60061-2-2017, страница 54 страница 54
  • ГОСТ IEC 60061-2-2017, страница 55 страница 55
  • ГОСТ IEC 60061-2-2017, страница 56 страница 56
  • ГОСТ IEC 60061-2-2017, страница 57 страница 57
  • ГОСТ IEC 60061-2-2017, страница 58 страница 58
  • ГОСТ IEC 60061-2-2017, страница 59 страница 59
  • ГОСТ IEC 60061-2-2017, страница 60 страница 60
  • ГОСТ IEC 60061-2-2017, страница 61 страница 61
  • ГОСТ IEC 60061-2-2017, страница 62 страница 62
  • ГОСТ IEC 60061-2-2017, страница 63 страница 63
  • ГОСТ IEC 60061-2-2017, страница 64 страница 64
  • ГОСТ IEC 60061-2-2017, страница 65 страница 65
  • ГОСТ IEC 60061-2-2017, страница 66 страница 66
  • ГОСТ IEC 60061-2-2017, страница 67 страница 67
  • ГОСТ IEC 60061-2-2017, страница 68 страница 68
  • ГОСТ IEC 60061-2-2017, страница 69 страница 69
  • ГОСТ IEC 60061-2-2017, страница 70 страница 70
  • ГОСТ IEC 60061-2-2017, страница 71 страница 71
  • ГОСТ IEC 60061-2-2017, страница 72 страница 72
  • ГОСТ IEC 60061-2-2017, страница 73 страница 73
  • ГОСТ IEC 60061-2-2017, страница 74 страница 74
  • ГОСТ IEC 60061-2-2017, страница 75 страница 75
  • ГОСТ IEC 60061-2-2017, страница 76 страница 76
  • ГОСТ IEC 60061-2-2017, страница 77 страница 77
  • ГОСТ IEC 60061-2-2017, страница 78 страница 78
  • ГОСТ IEC 60061-2-2017, страница 79 страница 79
  • ГОСТ IEC 60061-2-2017, страница 80 страница 80
  • ГОСТ IEC 60061-2-2017, страница 81 страница 81
  • ГОСТ IEC 60061-2-2017, страница 82 страница 82
  • ГОСТ IEC 60061-2-2017, страница 83 страница 83
  • ГОСТ IEC 60061-2-2017, страница 84 страница 84
  • ГОСТ IEC 60061-2-2017, страница 85 страница 85
  • ГОСТ IEC 60061-2-2017, страница 86 страница 86
  • ГОСТ IEC 60061-2-2017, страница 87 страница 87
  • ГОСТ IEC 60061-2-2017, страница 88 страница 88
  • ГОСТ IEC 60061-2-2017, страница 89 страница 89
  • ГОСТ IEC 60061-2-2017, страница 90 страница 90
  • ГОСТ IEC 60061-2-2017, страница 91 страница 91
  • ГОСТ IEC 60061-2-2017, страница 92 страница 92
  • ГОСТ IEC 60061-2-2017, страница 93 страница 93
  • ГОСТ IEC 60061-2-2017, страница 94 страница 94
  • ГОСТ IEC 60061-2-2017, страница 95 страница 95
  • ГОСТ IEC 60061-2-2017, страница 96 страница 96
  • ГОСТ IEC 60061-2-2017, страница 97 страница 97
  • ГОСТ IEC 60061-2-2017, страница 98 страница 98
  • ГОСТ IEC 60061-2-2017, страница 99 страница 99
  • ГОСТ IEC 60061-2-2017, страница 100 страница 100
  • ГОСТ IEC 60061-2-2017, страница 101 страница 101
  • ГОСТ IEC 60061-2-2017, страница 102 страница 102
  • ГОСТ IEC 60061-2-2017, страница 103 страница 103
  • ГОСТ IEC 60061-2-2017, страница 104 страница 104
  • ГОСТ IEC 60061-2-2017, страница 105 страница 105
  • ГОСТ IEC 60061-2-2017, страница 106 страница 106
  • ГОСТ IEC 60061-2-2017, страница 107 страница 107
  • ГОСТ IEC 60061-2-2017, страница 108 страница 108
  • ГОСТ IEC 60061-2-2017, страница 109 страница 109
  • ГОСТ IEC 60061-2-2017, страница 110 страница 110
  • ГОСТ IEC 60061-2-2017, страница 111 страница 111
  • ГОСТ IEC 60061-2-2017, страница 112 страница 112
  • ГОСТ IEC 60061-2-2017, страница 113 страница 113
  • ГОСТ IEC 60061-2-2017, страница 114 страница 114
  • ГОСТ IEC 60061-2-2017, страница 115 страница 115
  • ГОСТ IEC 60061-2-2017, страница 116 страница 116
  • ГОСТ IEC 60061-2-2017, страница 117 страница 117
  • ГОСТ IEC 60061-2-2017, страница 118 страница 118
  • ГОСТ IEC 60061-2-2017, страница 119 страница 119
  • ГОСТ IEC 60061-2-2017, страница 120 страница 120
  • ГОСТ IEC 60061-2-2017, страница 121 страница 121
  • ГОСТ IEC 60061-2-2017, страница 122 страница 122
  • ГОСТ IEC 60061-2-2017, страница 123 страница 123
  • ГОСТ IEC 60061-2-2017, страница 124 страница 124
  • ГОСТ IEC 60061-2-2017, страница 125 страница 125
  • ГОСТ IEC 60061-2-2017, страница 126 страница 126
  • ГОСТ IEC 60061-2-2017, страница 127 страница 127
  • ГОСТ IEC 60061-2-2017, страница 128 страница 128
  • ГОСТ IEC 60061-2-2017, страница 129 страница 129
  • ГОСТ IEC 60061-2-2017, страница 130 страница 130
  • ГОСТ IEC 60061-2-2017, страница 131 страница 131
  • ГОСТ IEC 60061-2-2017, страница 132 страница 132
  • ГОСТ IEC 60061-2-2017, страница 133 страница 133
  • ГОСТ IEC 60061-2-2017, страница 134 страница 134
  • ГОСТ IEC 60061-2-2017, страница 135 страница 135
  • ГОСТ IEC 60061-2-2017, страница 136 страница 136
  • ГОСТ IEC 60061-2-2017, страница 137 страница 137
  • ГОСТ IEC 60061-2-2017, страница 138 страница 138
  • ГОСТ IEC 60061-2-2017, страница 139 страница 139
  • ГОСТ IEC 60061-2-2017, страница 140 страница 140
  • ГОСТ IEC 60061-2-2017, страница 141 страница 141
  • ГОСТ IEC 60061-2-2017, страница 142 страница 142
  • ГОСТ IEC 60061-2-2017, страница 143 страница 143
  • ГОСТ IEC 60061-2-2017, страница 144 страница 144
  • ГОСТ IEC 60061-2-2017, страница 145 страница 145
  • ГОСТ IEC 60061-2-2017, страница 146 страница 146
  • ГОСТ IEC 60061-2-2017, страница 147 страница 147
  • ГОСТ IEC 60061-2-2017, страница 148 страница 148
  • ГОСТ IEC 60061-2-2017, страница 149 страница 149
  • ГОСТ IEC 60061-2-2017, страница 150 страница 150
  • ГОСТ IEC 60061-2-2017, страница 151 страница 151
  • ГОСТ IEC 60061-2-2017, страница 152 страница 152
  • ГОСТ IEC 60061-2-2017, страница 153 страница 153
  • ГОСТ IEC 60061-2-2017, страница 154 страница 154
  • ГОСТ IEC 60061-2-2017, страница 155 страница 155
  • ГОСТ IEC 60061-2-2017, страница 156 страница 156
  • ГОСТ IEC 60061-2-2017, страница 157 страница 157
  • ГОСТ IEC 60061-2-2017, страница 158 страница 158
  • ГОСТ IEC 60061-2-2017, страница 159 страница 159
  • ГОСТ IEC 60061-2-2017, страница 160 страница 160
  • ГОСТ IEC 60061-2-2017, страница 161 страница 161
  • ГОСТ IEC 60061-2-2017, страница 162 страница 162
  • ГОСТ IEC 60061-2-2017, страница 163 страница 163
  • ГОСТ IEC 60061-2-2017, страница 164 страница 164
  • ГОСТ IEC 60061-2-2017, страница 165 страница 165
  • ГОСТ IEC 60061-2-2017, страница 166 страница 166
  • ГОСТ IEC 60061-2-2017, страница 167 страница 167
  • ГОСТ IEC 60061-2-2017, страница 168 страница 168
  • ГОСТ IEC 60061-2-2017, страница 169 страница 169
  • ГОСТ IEC 60061-2-2017, страница 170 страница 170
  • ГОСТ IEC 60061-2-2017, страница 171 страница 171
  • ГОСТ IEC 60061-2-2017, страница 172 страница 172
  • ГОСТ IEC 60061-2-2017, страница 173 страница 173
  • ГОСТ IEC 60061-2-2017, страница 174 страница 174
  • ГОСТ IEC 60061-2-2017, страница 175 страница 175
  • ГОСТ IEC 60061-2-2017, страница 176 страница 176
  • ГОСТ IEC 60061-2-2017, страница 177 страница 177
  • ГОСТ IEC 60061-2-2017, страница 178 страница 178
  • ГОСТ IEC 60061-2-2017, страница 179 страница 179
  • ГОСТ IEC 60061-2-2017, страница 180 страница 180
  • ГОСТ IEC 60061-2-2017, страница 181 страница 181
  • ГОСТ IEC 60061-2-2017, страница 182 страница 182
  • ГОСТ IEC 60061-2-2017, страница 183 страница 183
  • ГОСТ IEC 60061-2-2017, страница 184 страница 184
  • ГОСТ IEC 60061-2-2017, страница 185 страница 185
  • ГОСТ IEC 60061-2-2017, страница 186 страница 186
  • ГОСТ IEC 60061-2-2017, страница 187 страница 187
  • ГОСТ IEC 60061-2-2017, страница 188 страница 188
  • ГОСТ IEC 60061-2-2017, страница 189 страница 189
  • ГОСТ IEC 60061-2-2017, страница 190 страница 190
  • ГОСТ IEC 60061-2-2017, страница 191 страница 191
  • ГОСТ IEC 60061-2-2017, страница 192 страница 192
  • ГОСТ IEC 60061-2-2017, страница 193 страница 193
  • ГОСТ IEC 60061-2-2017, страница 194 страница 194
  • ГОСТ IEC 60061-2-2017, страница 195 страница 195
  • ГОСТ IEC 60061-2-2017, страница 196 страница 196
  • ГОСТ IEC 60061-2-2017, страница 197 страница 197
  • ГОСТ IEC 60061-2-2017, страница 198 страница 198
  • ГОСТ IEC 60061-2-2017, страница 199 страница 199
  • ГОСТ IEC 60061-2-2017, страница 200 страница 200
  • ГОСТ IEC 60061-2-2017, страница 201 страница 201
  • ГОСТ IEC 60061-2-2017, страница 202 страница 202
  • ГОСТ IEC 60061-2-2017, страница 203 страница 203
  • ГОСТ IEC 60061-2-2017, страница 204 страница 204
  • ГОСТ IEC 60061-2-2017, страница 205 страница 205
  • ГОСТ IEC 60061-2-2017, страница 206 страница 206
  • ГОСТ IEC 60061-2-2017, страница 207 страница 207
  • ГОСТ IEC 60061-2-2017, страница 208 страница 208
  • ГОСТ IEC 60061-2-2017, страница 209 страница 209
  • ГОСТ IEC 60061-2-2017, страница 210 страница 210
  • ГОСТ IEC 60061-2-2017, страница 211 страница 211
  • ГОСТ IEC 60061-2-2017, страница 212 страница 212
  • ГОСТ IEC 60061-2-2017, страница 213 страница 213
  • ГОСТ IEC 60061-2-2017, страница 214 страница 214
  • ГОСТ IEC 60061-2-2017, страница 215 страница 215
  • ГОСТ IEC 60061-2-2017, страница 216 страница 216
  • ГОСТ IEC 60061-2-2017, страница 217 страница 217
  • ГОСТ IEC 60061-2-2017, страница 218 страница 218
  • ГОСТ IEC 60061-2-2017, страница 219 страница 219
  • ГОСТ IEC 60061-2-2017, страница 220 страница 220
  • ГОСТ IEC 60061-2-2017, страница 221 страница 221
  • ГОСТ IEC 60061-2-2017, страница 222 страница 222
  • ГОСТ IEC 60061-2-2017, страница 223 страница 223
  • ГОСТ IEC 60061-2-2017, страница 224 страница 224
  • ГОСТ IEC 60061-2-2017, страница 225 страница 225
  • ГОСТ IEC 60061-2-2017, страница 226 страница 226
  • ГОСТ IEC 60061-2-2017, страница 227 страница 227
  • ГОСТ IEC 60061-2-2017, страница 228 страница 228
  • ГОСТ IEC 60061-2-2017, страница 229 страница 229
  • ГОСТ IEC 60061-2-2017, страница 230 страница 230
  • ГОСТ IEC 60061-2-2017, страница 231 страница 231
  • ГОСТ IEC 60061-2-2017, страница 232 страница 232
  • ГОСТ IEC 60061-2-2017, страница 233 страница 233
  • ГОСТ IEC 60061-2-2017, страница 234 страница 234
  • ГОСТ IEC 60061-2-2017, страница 235 страница 235
  • ГОСТ IEC 60061-2-2017, страница 236 страница 236
  • ГОСТ IEC 60061-2-2017, страница 237 страница 237
  • ГОСТ IEC 60061-2-2017, страница 238 страница 238
  • ГОСТ IEC 60061-2-2017, страница 239 страница 239
  • ГОСТ IEC 60061-2-2017, страница 240 страница 240
  • ГОСТ IEC 60061-2-2017, страница 241 страница 241
  • ГОСТ IEC 60061-2-2017, страница 242 страница 242
  • ГОСТ IEC 60061-2-2017, страница 243 страница 243
  • ГОСТ IEC 60061-2-2017, страница 244 страница 244
  • ГОСТ IEC 60061-2-2017, страница 245 страница 245
  • ГОСТ IEC 60061-2-2017, страница 246 страница 246
  • ГОСТ IEC 60061-2-2017, страница 247 страница 247
  • ГОСТ IEC 60061-2-2017, страница 248 страница 248
  • ГОСТ IEC 60061-2-2017, страница 249 страница 249
  • ГОСТ IEC 60061-2-2017, страница 250 страница 250
  • ГОСТ IEC 60061-2-2017, страница 251 страница 251
  • ГОСТ IEC 60061-2-2017, страница 252 страница 252
  • ГОСТ IEC 60061-2-2017, страница 253 страница 253
  • ГОСТ IEC 60061-2-2017, страница 254 страница 254
  • ГОСТ IEC 60061-2-2017, страница 255 страница 255
  • ГОСТ IEC 60061-2-2017, страница 256 страница 256
  • ГОСТ IEC 60061-2-2017, страница 257 страница 257
  • ГОСТ IEC 60061-2-2017, страница 258 страница 258
  • ГОСТ IEC 60061-2-2017, страница 259 страница 259
  • ГОСТ IEC 60061-2-2017, страница 260 страница 260
  • ГОСТ IEC 60061-2-2017, страница 261 страница 261
  • ГОСТ IEC 60061-2-2017, страница 262 страница 262
  • ГОСТ IEC 60061-2-2017, страница 263 страница 263
  • ГОСТ IEC 60061-2-2017, страница 264 страница 264
  • ГОСТ IEC 60061-2-2017, страница 265 страница 265
  • ГОСТ IEC 60061-2-2017, страница 266 страница 266
  • ГОСТ IEC 60061-2-2017, страница 267 страница 267
  • ГОСТ IEC 60061-2-2017, страница 268 страница 268
  • ГОСТ IEC 60061-2-2017, страница 269 страница 269
  • ГОСТ IEC 60061-2-2017, страница 270 страница 270
  • ГОСТ IEC 60061-2-2017, страница 271 страница 271
  • ГОСТ IEC 60061-2-2017, страница 272 страница 272
  • ГОСТ IEC 60061-2-2017, страница 273 страница 273
  • ГОСТ IEC 60061-2-2017, страница 274 страница 274
  • ГОСТ IEC 60061-2-2017, страница 275 страница 275
  • ГОСТ IEC 60061-2-2017, страница 276 страница 276
  • ГОСТ IEC 60061-2-2017, страница 277 страница 277
  • ГОСТ IEC 60061-2-2017, страница 278 страница 278
  • ГОСТ IEC 60061-2-2017, страница 279 страница 279
  • ГОСТ IEC 60061-2-2017, страница 280 страница 280
  • ГОСТ IEC 60061-2-2017, страница 281 страница 281
  • ГОСТ IEC 60061-2-2017, страница 282 страница 282
  • ГОСТ IEC 60061-2-2017, страница 283 страница 283
  • ГОСТ IEC 60061-2-2017, страница 284 страница 284
  • ГОСТ IEC 60061-2-2017, страница 285 страница 285
  • ГОСТ IEC 60061-2-2017, страница 286 страница 286
  • ГОСТ IEC 60061-2-2017, страница 287 страница 287
  • ГОСТ IEC 60061-2-2017, страница 288 страница 288
  • ГОСТ IEC 60061-2-2017, страница 289 страница 289
  • ГОСТ IEC 60061-2-2017, страница 290 страница 290
  • ГОСТ IEC 60061-2-2017, страница 291 страница 291
  • ГОСТ IEC 60061-2-2017, страница 292 страница 292
  • ГОСТ IEC 60061-2-2017, страница 293 страница 293
  • ГОСТ IEC 60061-2-2017, страница 294 страница 294
  • ГОСТ IEC 60061-2-2017, страница 295 страница 295
  • ГОСТ IEC 60061-2-2017, страница 296 страница 296
  • ГОСТ IEC 60061-2-2017, страница 297 страница 297
  • ГОСТ IEC 60061-2-2017, страница 298 страница 298
  • ГОСТ IEC 60061-2-2017, страница 299 страница 299
  • ГОСТ IEC 60061-2-2017, страница 300 страница 300
  • ГОСТ IEC 60061-2-2017, страница 301 страница 301
  • ГОСТ IEC 60061-2-2017, страница 302 страница 302
  • ГОСТ IEC 60061-2-2017, страница 303 страница 303
  • ГОСТ IEC 60061-2-2017, страница 304 страница 304
  • ГОСТ IEC 60061-2-2017, страница 305 страница 305
  • ГОСТ IEC 60061-2-2017, страница 306 страница 306
  • ГОСТ IEC 60061-2-2017, страница 307 страница 307
  • ГОСТ IEC 60061-2-2017, страница 308 страница 308
  • ГОСТ IEC 60061-2-2017, страница 309 страница 309
  • ГОСТ IEC 60061-2-2017, страница 310 страница 310
  • ГОСТ IEC 60061-2-2017, страница 311 страница 311
  • ГОСТ IEC 60061-2-2017, страница 312 страница 312
  • ГОСТ IEC 60061-2-2017, страница 313 страница 313
  • ГОСТ IEC 60061-2-2017, страница 314 страница 314
  • ГОСТ IEC 60061-2-2017, страница 315 страница 315
  • ГОСТ IEC 60061-2-2017, страница 316 страница 316
  • ГОСТ IEC 60061-2-2017, страница 317 страница 317
  • ГОСТ IEC 60061-2-2017, страница 318 страница 318
  • ГОСТ IEC 60061-2-2017, страница 319 страница 319
  • ГОСТ IEC 60061-2-2017, страница 320 страница 320
  • ГОСТ IEC 60061-2-2017, страница 321 страница 321
  • ГОСТ IEC 60061-2-2017, страница 322 страница 322
  • ГОСТ IEC 60061-2-2017, страница 323 страница 323
  • ГОСТ IEC 60061-2-2017, страница 324 страница 324
  • ГОСТ IEC 60061-2-2017, страница 325 страница 325
  • ГОСТ IEC 60061-2-2017, страница 326 страница 326
  • ГОСТ IEC 60061-2-2017, страница 327 страница 327
  • ГОСТ IEC 60061-2-2017, страница 328 страница 328
  • ГОСТ IEC 60061-2-2017, страница 329 страница 329
  • ГОСТ IEC 60061-2-2017, страница 330 страница 330
  • ГОСТ IEC 60061-2-2017, страница 331 страница 331
  • ГОСТ IEC 60061-2-2017, страница 332 страница 332
  • ГОСТ IEC 60061-2-2017, страница 333 страница 333
  • ГОСТ IEC 60061-2-2017, страница 334 страница 334
  • ГОСТ IEC 60061-2-2017, страница 335 страница 335
  • ГОСТ IEC 60061-2-2017, страница 336 страница 336
  • ГОСТ IEC 60061-2-2017, страница 337 страница 337
  • ГОСТ IEC 60061-2-2017, страница 338 страница 338
  • ГОСТ IEC 60061-2-2017, страница 339 страница 339
  • ГОСТ IEC 60061-2-2017, страница 340 страница 340
  • ГОСТ IEC 60061-2-2017, страница 341 страница 341
  • ГОСТ IEC 60061-2-2017, страница 342 страница 342
  • ГОСТ IEC 60061-2-2017, страница 343 страница 343
  • ГОСТ IEC 60061-2-2017, страница 344 страница 344