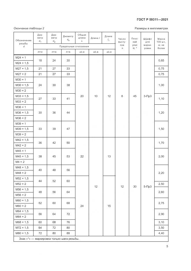
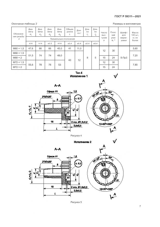
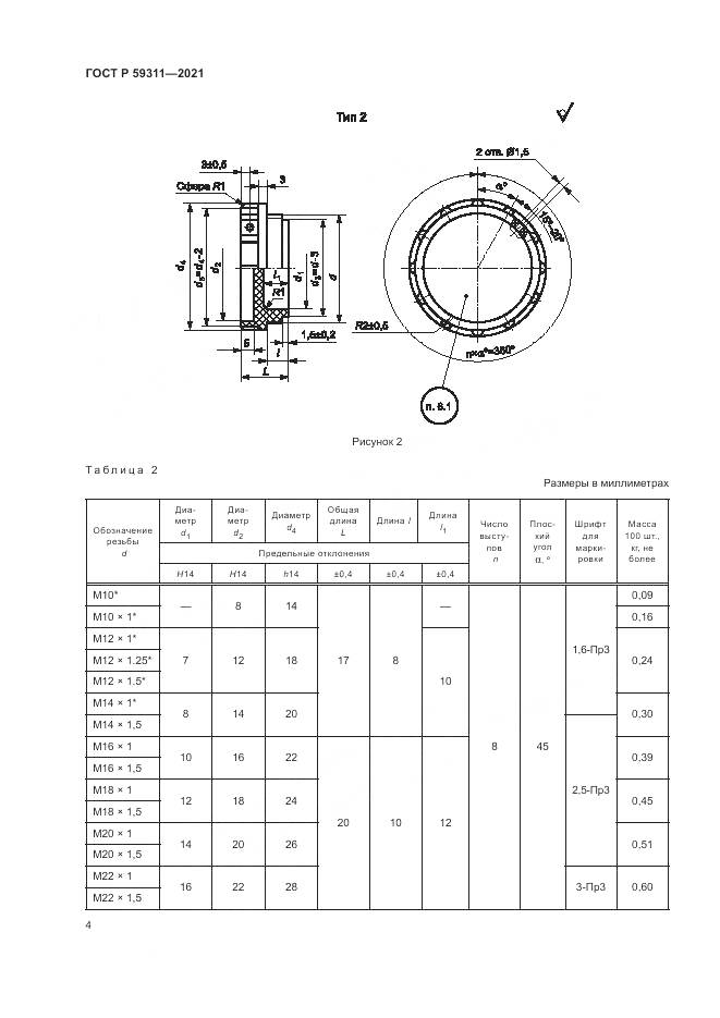
ГОСТ Р 59311-2021 Ракетно-космическая техника. Заглушки транспортировочные. Общие технические условия

Категории ГОСТ Р 59311-2021 по ОКС:
Статус документа:
действует, введён в действие 01.06.2021
Название на английском языке:
Space-rocket technik. Transportation plugs. General specifications
Дата актуализации информации по стандарту:
11.08.2025, в 13:33 (менее полугода назад)
Вид стандарта:
временно не известен
Дата начала действия ГОСТа:
2021-06-01
Число страниц:
20
Назначение ГОСТ Р 59311-2021:
не указано

Скачать ГОСТ Р 59311-2021 вы можете в следующих версиях:

Тип файла:
Дата добавления:
Загрузок:
Размер:
Тип файла:
PDF с изображениями
Добавлен:
28/11/2025 08:42
Скачиваний:
8
Размер файла:
1.28 Мб
  • ГОСТ Р 59311-2021, страница 1 страница 1
  • ГОСТ Р 59311-2021, страница 2 страница 2
  • ГОСТ Р 59311-2021, страница 3 страница 3
  • ГОСТ Р 59311-2021, страница 4 страница 4
  • ГОСТ Р 59311-2021, страница 5 страница 5
  • ГОСТ Р 59311-2021, страница 6 страница 6
  • ГОСТ Р 59311-2021, страница 7 страница 7
  • ГОСТ Р 59311-2021, страница 8 страница 8
  • ГОСТ Р 59311-2021, страница 9 страница 9
  • ГОСТ Р 59311-2021, страница 10 страница 10
  • ГОСТ Р 59311-2021, страница 11 страница 11
  • ГОСТ Р 59311-2021, страница 12 страница 12
  • ГОСТ Р 59311-2021, страница 13 страница 13
  • ГОСТ Р 59311-2021, страница 14 страница 14
  • ГОСТ Р 59311-2021, страница 15 страница 15
  • ГОСТ Р 59311-2021, страница 16 страница 16
  • ГОСТ Р 59311-2021, страница 17 страница 17
  • ГОСТ Р 59311-2021, страница 18 страница 18
  • ГОСТ Р 59311-2021, страница 19 страница 19
  • ГОСТ Р 59311-2021, страница 20 страница 20