ГОСТ Р 55941-2014 Рельсы трамвайные желобчатые. Технические условия

Категории ГОСТ Р 55941-2014 по ОКС:
Статус документа:
действует, введён в действие 01.01.2015
Название на английском языке:
Grooved rails. Specifications
Дата актуализации информации по стандарту:
23.06.2025, в 12:33 (менее полугода назад)
Вид стандарта:
временно не известен
Дата начала действия ГОСТа:
2015-01-01
Число страниц:
20
Назначение ГОСТ Р 55941-2014:
Настоящий стандарт распространяется на трамвайные желобчатые рельсы (далее - рельсы), предназначенные для путей городского электрического транспорта
Документ разработан орг-ей:
Федеральное агентство по техническому регулированию и метрологии (Росстандарт)
Ключевые слова документа:
качество поверхности, качество торцов, методы контроля, механические свойства, приемка, прямолинейность, размеры, рельсы трамвайные желобчатые, твердость, типы, транспортирование, химический состав, хранение
Нормативные ссылки, связанные с ГОСТ Р 55941-2014:
Ссылки на прочие:
EN 14811:2006+А1:2009

Скачать ГОСТ Р 55941-2014 вы можете в следующих версиях:

Дата добавления:
Тип файла:
Загрузок:
Размер:
23/01/2016 01:36
PDF с изображениями
0
0.57 Мб

Текст стандарта

  • ГОСТ Р 55941-2014, страница 1 страница 1
  • ГОСТ Р 55941-2014, страница 2 страница 2
  • ГОСТ Р 55941-2014, страница 3 страница 3
  • ГОСТ Р 55941-2014, страница 4 страница 4
  • ГОСТ Р 55941-2014, страница 5 страница 5
  • ГОСТ Р 55941-2014, страница 6 страница 6
  • ГОСТ Р 55941-2014, страница 7 страница 7
  • ГОСТ Р 55941-2014, страница 8 страница 8
  • ГОСТ Р 55941-2014, страница 9 страница 9
  • ГОСТ Р 55941-2014, страница 10 страница 10
  • ГОСТ Р 55941-2014, страница 11 страница 11
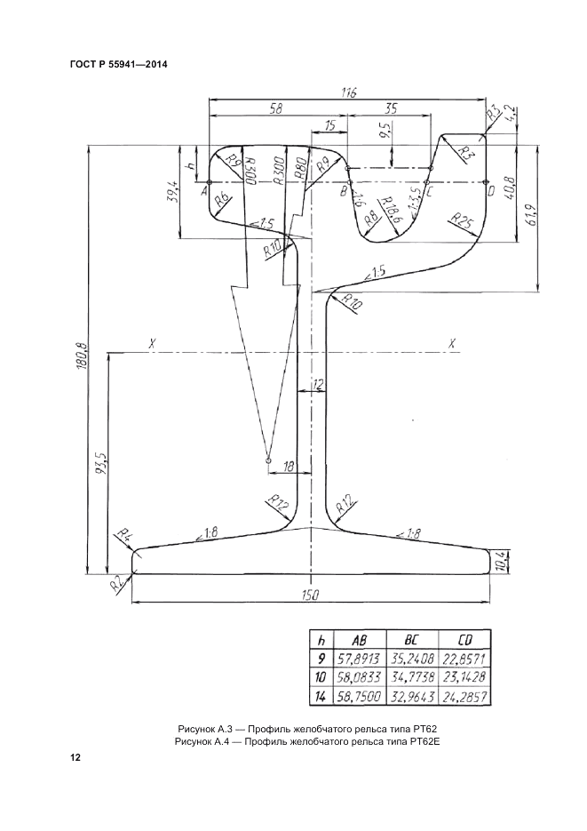
  • ГОСТ Р 55941-2014, страница 12 страница 12
  • ГОСТ Р 55941-2014, страница 13 страница 13
  • ГОСТ Р 55941-2014, страница 14 страница 14
  • ГОСТ Р 55941-2014, страница 15 страница 15
  • ГОСТ Р 55941-2014, страница 16 страница 16