ГОСТ Р 54443-2011 Сорбенты йодные для атомных электростанций. Метод определения индекса сорбционной способности

Категории ГОСТ Р 54443-2011 по ОКС:
Статус документа:
действует, введён в действие 01.01.2012
Название на английском языке:
Sorbents for trapping radioiodine at nuclear power stations. Method for determination of sorption capacity index
Дата актуализации информации по стандарту:
19.06.2025, в 23:02 (менее полугода назад)
Вид стандарта:
Стандарты на методы контроля
Дата начала действия ГОСТа:
2012-01-01
Дата последнего издания документа:
2012-01-18
Коды документа ГОСТ Р 54443-2011:
Код КГС:
Ф59
Число страниц:
20
Назначение ГОСТ Р 54443-2011:
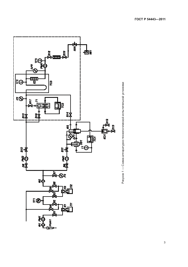
Настоящий стандарт распространяется на гранулированные и дробленые иодные сорбенты, применяемые для очистки газообразных радиоактивных отходов от радиоиода и его соединений на атомных электростанциях. Настоящий стандарт устанавливает метод и условия испытания сорбентов в лабораторных установках. Настоящий стандарт распространяется на сорбенты, предназначенные для применения в системах, важных для безопасности атомных электростанций
Ключевые слова документа:
атомная электростанция, индекс сорбционной способности, метилиодид, радиоактивность, сорбент

Скачать ГОСТ Р 54443-2011 вы можете в следующих версиях:

Тип файла:
Дата добавления:
Загрузок:
Размер:
Тип файла:
PDF с изображениями
Добавлен:
28/11/2025 13:59
Скачиваний:
3
Размер файла:
1.21 Мб

Поправки и изменения к ГОСТ Р 54443-2011:

  • Наименование, вид:
    Дата
    регистрации:
    начала действия:
  • Поправка к ГОСТ Р 54443-2011

    Тип изменения: Поправка
    Номер изменения:
    Регистрационный номер: -

    2012-09-05
    2012-09-05
  • ГОСТ Р 54443-2011, страница 1 страница 1
  • ГОСТ Р 54443-2011, страница 2 страница 2
  • ГОСТ Р 54443-2011, страница 3 страница 3
  • ГОСТ Р 54443-2011, страница 4 страница 4
  • ГОСТ Р 54443-2011, страница 5 страница 5
  • ГОСТ Р 54443-2011, страница 6 страница 6
  • ГОСТ Р 54443-2011, страница 7 страница 7
  • ГОСТ Р 54443-2011, страница 8 страница 8
  • ГОСТ Р 54443-2011, страница 9 страница 9
  • ГОСТ Р 54443-2011, страница 10 страница 10
  • ГОСТ Р 54443-2011, страница 11 страница 11
  • ГОСТ Р 54443-2011, страница 12 страница 12
  • ГОСТ Р 54443-2011, страница 13 страница 13
  • ГОСТ Р 54443-2011, страница 14 страница 14
  • ГОСТ Р 54443-2011, страница 15 страница 15
  • ГОСТ Р 54443-2011, страница 16 страница 16
  • ГОСТ Р 54443-2011, страница 17 страница 17
  • ГОСТ Р 54443-2011, страница 18 страница 18
  • ГОСТ Р 54443-2011, страница 19 страница 19
  • ГОСТ Р 54443-2011, страница 20 страница 20
  • ГОСТ Р 54443-2011, страница 21 страница 21