ГОСТ Р 51317.4.11-2007 Совместимость технических средств электромагнитная. Устойчивость к провалам, кратковременным прерываниям и изменениям напряжения электропитания. Требования и методы испытаний

Категории ГОСТ Р 51317.4.11-2007 по ОКС:
Статус документа:
отменен, введён в действие 01.07.2008
Название на английском языке:
Electromagnetic compatibility of technical equipmеnt. Voltage dips, short interruptions and voltage variations immunity. Requirements and test methods
Дата актуализации информации по стандарту:
17.02.2014, в 18:32 (более года назад)
Вид стандарта:
Стандарты на методы контроля
Дата начала действия ГОСТа:
2008-07-01
Срок действия ограничен:
01.01.2014
Дата последнего издания документа:
2008-04-01
Коды документа ГОСТ Р 51317.4.11-2007:
Код КГС:
Э02
Число страниц:
24
Назначение ГОСТ Р 51317.4.11-2007:
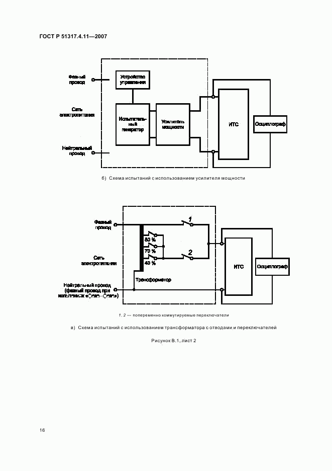
Настоящий стандарт устанавливает методы испытаний электротехнических, электронных и радиоэлектронных изделий и оборудования, подключаемых к низковольтным (напряжение не выше 1000 В) электрическим сетям переменного тока, на устойчивость к воздействию провалов, кратковременных прерываний и изменений напряжения электропитания, а также рекомендуемые уровни испытательных напряжений при проведении испытаний на помехоустойчивость. Настоящий стандарт не распространяется на технические средства, подключаемые к электрическим сетям переменного тока частотой 400 Гц
Ключевые слова документа:
испытательное оборудование, кратковременным прерываниям и изменениям напряжения электропитания, методы испытаний, низковольтные распределительные электрические сети, технические средства, требования, устойчивость к провалам, электромагнитная совместимость

Скачать ГОСТ Р 51317.4.11-2007 вы можете в следующих версиях:

Тип файла:
Дата добавления:
Загрузок:
Размер:
Тип файла:
PDF с изображениями
Добавлен:
12/12/2011 02:03
Скачиваний:
484
Размер файла:
0.91 Мб

Поправки и изменения к ГОСТ Р 51317.4.11-2007:

  • Наименование, вид:
    Дата
    регистрации:
    начала действия:
  • Изменение к ГОСТ Р 51317.4.11-2007. Отменен

    Тип изменения: Отменен
    Номер изменения:
    Регистрационный номер: 404-ст
    Новое значение: Отменен, с 01.01.2014 пользоваться ГОСТ 30804.4.11-2013

    2013-07-22
    2014-01-01
  • ГОСТ Р 51317.4.11-2007, страница 1 страница 1
  • ГОСТ Р 51317.4.11-2007, страница 2 страница 2
  • ГОСТ Р 51317.4.11-2007, страница 3 страница 3
  • ГОСТ Р 51317.4.11-2007, страница 4 страница 4
  • ГОСТ Р 51317.4.11-2007, страница 5 страница 5
  • ГОСТ Р 51317.4.11-2007, страница 6 страница 6
  • ГОСТ Р 51317.4.11-2007, страница 7 страница 7
  • ГОСТ Р 51317.4.11-2007, страница 8 страница 8
  • ГОСТ Р 51317.4.11-2007, страница 9 страница 9
  • ГОСТ Р 51317.4.11-2007, страница 10 страница 10
  • ГОСТ Р 51317.4.11-2007, страница 11 страница 11
  • ГОСТ Р 51317.4.11-2007, страница 12 страница 12
  • ГОСТ Р 51317.4.11-2007, страница 13 страница 13
  • ГОСТ Р 51317.4.11-2007, страница 14 страница 14
  • ГОСТ Р 51317.4.11-2007, страница 15 страница 15
  • ГОСТ Р 51317.4.11-2007, страница 16 страница 16
  • ГОСТ Р 51317.4.11-2007, страница 17 страница 17
  • ГОСТ Р 51317.4.11-2007, страница 18 страница 18
  • ГОСТ Р 51317.4.11-2007, страница 19 страница 19
  • ГОСТ Р 51317.4.11-2007, страница 20 страница 20
  • ГОСТ Р 51317.4.11-2007, страница 21 страница 21
  • ГОСТ Р 51317.4.11-2007, страница 22 страница 22
  • ГОСТ Р 51317.4.11-2007, страница 23 страница 23
  • ГОСТ Р 51317.4.11-2007, страница 24 страница 24