ГОСТ Р ИСО 4210-4-2023 Велосипеды. Требования безопасности для велосипедов. Часть 4. Методы испытаний тормозной системы

Категории ГОСТ Р ИСО 4210-4-2023 по ОКС:
Статус документа:
действует, введён в действие 01.06.2023
Название на английском языке:
Cycles. Safety requirements for bicycles. Part 4. Braking test methods
Дата актуализации информации по стандарту:
19.08.2025, в 10:29 (менее 3 месяцев назад)
Вид стандарта:
временно не известен
Дата начала действия ГОСТа:
2023-06-01
Число страниц:
32
Назначение ГОСТ Р ИСО 4210-4-2023:
не указано
Нормативные ссылки, связанные с ГОСТ Р ИСО 4210-4-2023:

Скачать ГОСТ Р ИСО 4210-4-2023 вы можете в следующих версиях:

В данный момент версий документа для скачивания не добавлено.

Мы стараемся пополнять базу документов еженедельно и из разных источников, в обозримом будущем версии для этого ГОСТа появятся.

Вы можете просмотреть online текст стандарта ГОСТ Р ИСО 4210-4-2023

Просмотреть текст ГОСТ Р ИСО 4210-4-2023

Текст стандарта

  • ГОСТ Р ИСО 4210-4-2023, страница 1 страница 1
  • ГОСТ Р ИСО 4210-4-2023, страница 2 страница 2
  • ГОСТ Р ИСО 4210-4-2023, страница 3 страница 3
  • ГОСТ Р ИСО 4210-4-2023, страница 4 страница 4
  • ГОСТ Р ИСО 4210-4-2023, страница 5 страница 5
  • ГОСТ Р ИСО 4210-4-2023, страница 6 страница 6
  • ГОСТ Р ИСО 4210-4-2023, страница 7 страница 7
  • ГОСТ Р ИСО 4210-4-2023, страница 8 страница 8
  • ГОСТ Р ИСО 4210-4-2023, страница 9 страница 9
  • ГОСТ Р ИСО 4210-4-2023, страница 10 страница 10
  • ГОСТ Р ИСО 4210-4-2023, страница 11 страница 11
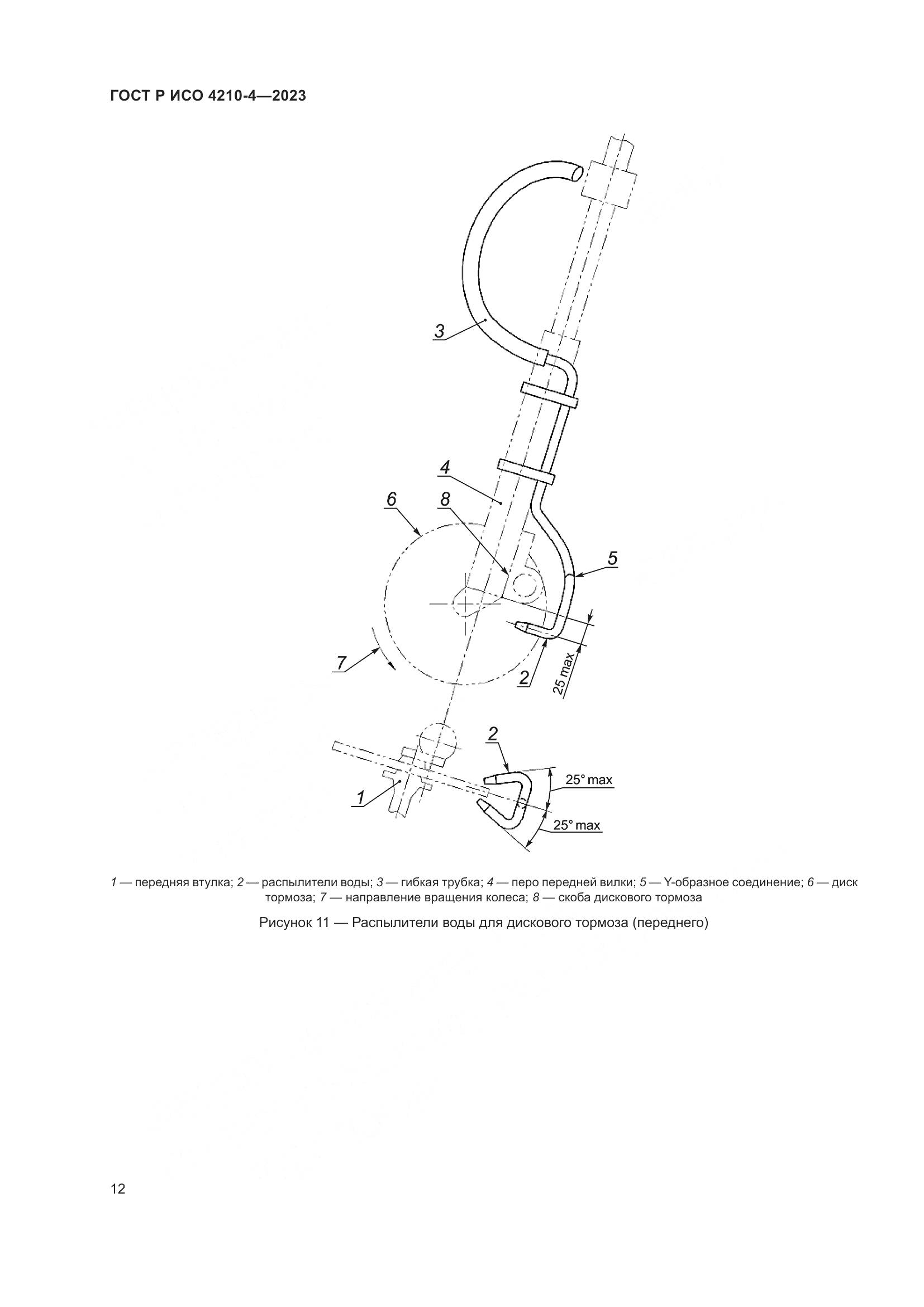
  • ГОСТ Р ИСО 4210-4-2023, страница 12 страница 12
  • ГОСТ Р ИСО 4210-4-2023, страница 13 страница 13
  • ГОСТ Р ИСО 4210-4-2023, страница 14 страница 14
  • ГОСТ Р ИСО 4210-4-2023, страница 15 страница 15
  • ГОСТ Р ИСО 4210-4-2023, страница 16 страница 16
  • ГОСТ Р ИСО 4210-4-2023, страница 17 страница 17
  • ГОСТ Р ИСО 4210-4-2023, страница 18 страница 18
  • ГОСТ Р ИСО 4210-4-2023, страница 19 страница 19
  • ГОСТ Р ИСО 4210-4-2023, страница 20 страница 20
  • ГОСТ Р ИСО 4210-4-2023, страница 21 страница 21
  • ГОСТ Р ИСО 4210-4-2023, страница 22 страница 22
  • ГОСТ Р ИСО 4210-4-2023, страница 23 страница 23
  • ГОСТ Р ИСО 4210-4-2023, страница 24 страница 24
  • ГОСТ Р ИСО 4210-4-2023, страница 25 страница 25
  • ГОСТ Р ИСО 4210-4-2023, страница 26 страница 26
  • ГОСТ Р ИСО 4210-4-2023, страница 27 страница 27
  • ГОСТ Р ИСО 4210-4-2023, страница 28 страница 28
  • ГОСТ Р ИСО 4210-4-2023, страница 29 страница 29
  • ГОСТ Р ИСО 4210-4-2023, страница 30 страница 30
  • ГОСТ Р ИСО 4210-4-2023, страница 31 страница 31
  • ГОСТ Р ИСО 4210-4-2023, страница 32 страница 32