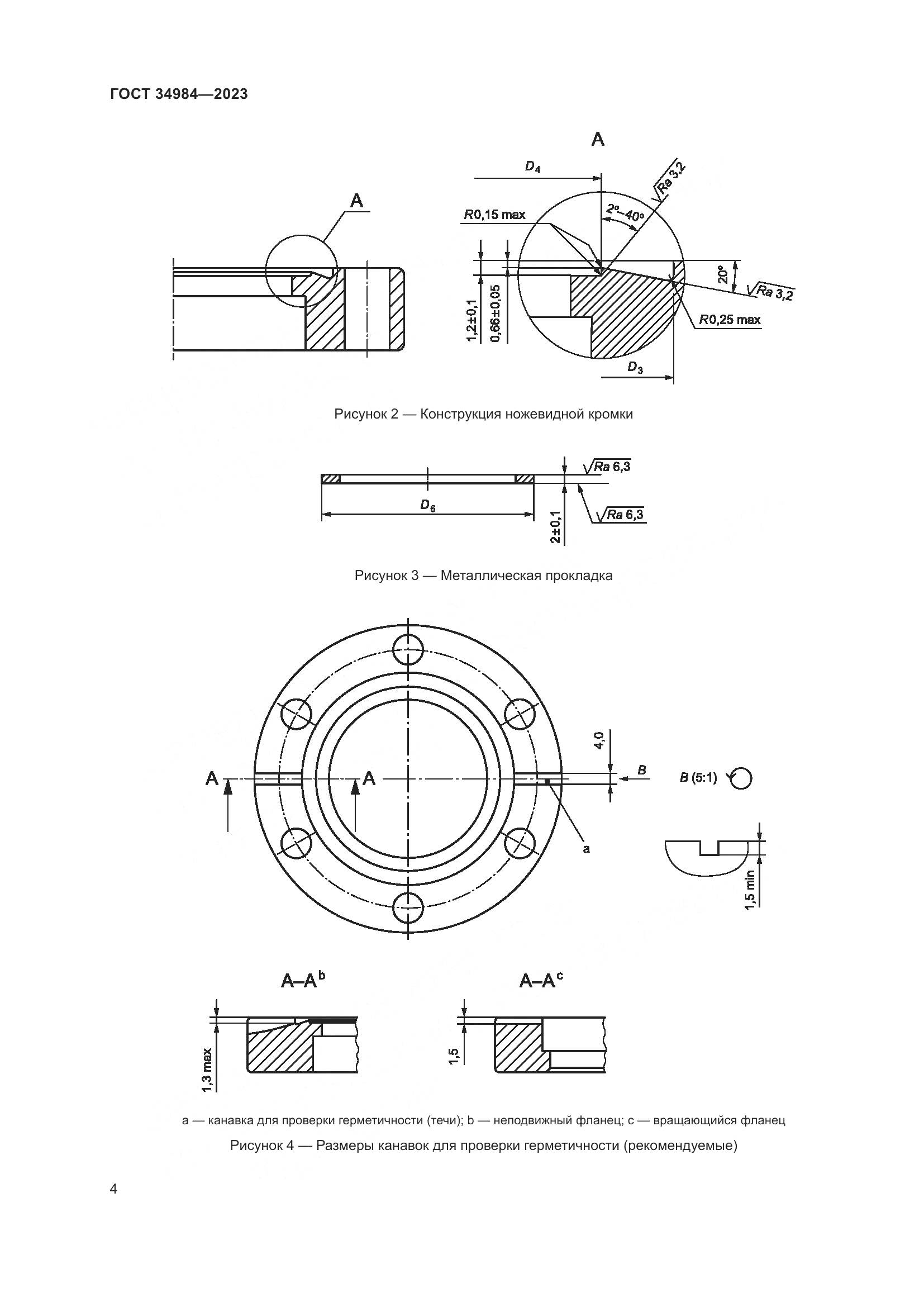
ГОСТ 34984-2023 Вакуумная технология. Размеры фланцев с ножевидной кромкой

Категории ГОСТ 34984-2023 по ОКС:
Статус документа:
действует, введён в действие 01.12.2023
Название на английском языке:
Vacuum technology. Dimensions of knife-edge flanges
Дата актуализации информации по стандарту:
19.08.2025, в 18:25 (менее 3 месяцев назад)
Вид стандарта:
временно не известен
Дата начала действия ГОСТа:
2023-12-01
Число страниц:
13
Назначение ГОСТ 34984-2023:
не указано
Нормативные ссылки, связанные с ГОСТ 34984-2023:

Скачать ГОСТ 34984-2023 вы можете в следующих версиях:

В данный момент версий документа для скачивания не добавлено.

Мы стараемся пополнять базу документов еженедельно и из разных источников, в обозримом будущем версии для этого ГОСТа появятся.

Вы можете просмотреть online текст стандарта ГОСТ 34984-2023

Просмотреть текст ГОСТ 34984-2023

Текст стандарта

  • ГОСТ 34984-2023, страница 1 страница 1
  • ГОСТ 34984-2023, страница 2 страница 2
  • ГОСТ 34984-2023, страница 3 страница 3
  • ГОСТ 34984-2023, страница 4 страница 4
  • ГОСТ 34984-2023, страница 5 страница 5
  • ГОСТ 34984-2023, страница 6 страница 6
  • ГОСТ 34984-2023, страница 7 страница 7
  • ГОСТ 34984-2023, страница 8 страница 8
  • ГОСТ 34984-2023, страница 9 страница 9
  • ГОСТ 34984-2023, страница 10 страница 10
  • ГОСТ 34984-2023, страница 11 страница 11
  • ГОСТ 34984-2023, страница 12 страница 12
  • ГОСТ 34984-2023, страница 13 страница 13