ГОСТ 33011-2014 Котлы газовые центрального отопления. Котлы типа С с номинальной теплопроизводительностью более 70 кВт, но не более 1000 кВт. Классификация, требования, методы испытаний и маркировка

Категории ГОСТ 33011-2014 по ОКС:
Статус документа:
действует, введён в действие 01.01.2016
Название на английском языке:
Gas-fired central heating boilers. Type C boilers of nominal heat input exceeding 70 kW, but not exceeding 1000 Kw. Classification, requirements, test methods and marking
Дата актуализации информации по стандарту:
23.10.2025, в 09:36 (менее 3 месяцев назад)
Вид стандарта:
Стандарты на методы контроля
Дата начала действия ГОСТа:
2016-01-01
Дата последнего издания документа:
2015-10-25
Число страниц:
119
Назначение ГОСТ 33011-2014:
Настоящий стандарт определяет конструктивные и эксплуатационные требования, требования безопасности, методы испытаний, требования к маркировке, а также классификацию котлов газовых центрального отопления (далее - котлы), оснащенных атмосферными горелками (с вентиляторами или без вентиляторов) или горелками с полным предварительным смешением. Настоящий стандарт распространяется на котлы типа C, рассчитанные на подключение к замкнутым или открытым системам отопления: - которые работают с одним или несколькими горючими газами трех семейств при значениях давления, указанных в таблицах 14 и 15; - которые рассчитаны на номинальную теплопроизводительность более 70 кВт, но не более чем 1000 кВт (включая комбинированные котлы); - у которых в стандартных эксплуатационных условиях температура жидкого теплоносителя не превышает 105 °C; - у которых максимальное рабочее давление в водяном контуре не превышает 0,6 МПа; - у которых в определенных условиях возможно образование конденсата. Настоящий стандарт не распространяется на котлы: - которые рассчитаны на установку на открытом воздухе или в жилых помещениях; - которые оснащены двумя и более вытяжными патрубками; - которые принадлежат к типу «конденсационный котел»; - которые должны подключаться к общей системе отвода продуктов сгорания с механическим отводом; - которые относятся к типам C21, C41, C51, C61, C71 и C81; - которые оснащены газовыми автоматическими горелками с принудительной подачей воздуха; - которые производят горячую воду для санитарно-технических нужд
Документ разработан орг-ей:
Федеральное агентство по техническому регулированию и метрологии (Росстандарт)
Документ принят орг-ей:
Межгосударственный Совет по стандартизации метрологии и сертификации, протокол №71-П
Ключевые слова документа:
безопасность, герметичность, горелка, испытание, классификация, котел центрального отопления, коэффициент полезного действия, маркировка, продукты сгорания, температура, тепловая мощность, теплопроизводительность, термостат, требование к конструкции

Скачать ГОСТ 33011-2014 вы можете в следующих версиях:

Тип файла:
Дата добавления:
Загрузок:
Размер:
Тип файла:
PDF с изображениями
Добавлен:
20/11/2025 15:40
Скачиваний:
16
Размер файла:
9.48 Мб
  • ГОСТ 33011-2014, страница 1 страница 1
  • ГОСТ 33011-2014, страница 2 страница 2
  • ГОСТ 33011-2014, страница 3 страница 3
  • ГОСТ 33011-2014, страница 4 страница 4
  • ГОСТ 33011-2014, страница 5 страница 5
  • ГОСТ 33011-2014, страница 6 страница 6
  • ГОСТ 33011-2014, страница 7 страница 7
  • ГОСТ 33011-2014, страница 8 страница 8
  • ГОСТ 33011-2014, страница 9 страница 9
  • ГОСТ 33011-2014, страница 10 страница 10
  • ГОСТ 33011-2014, страница 11 страница 11
  • ГОСТ 33011-2014, страница 12 страница 12
  • ГОСТ 33011-2014, страница 13 страница 13
  • ГОСТ 33011-2014, страница 14 страница 14
  • ГОСТ 33011-2014, страница 15 страница 15
  • ГОСТ 33011-2014, страница 16 страница 16
  • ГОСТ 33011-2014, страница 17 страница 17
  • ГОСТ 33011-2014, страница 18 страница 18
  • ГОСТ 33011-2014, страница 19 страница 19
  • ГОСТ 33011-2014, страница 20 страница 20
  • ГОСТ 33011-2014, страница 21 страница 21
  • ГОСТ 33011-2014, страница 22 страница 22
  • ГОСТ 33011-2014, страница 23 страница 23
  • ГОСТ 33011-2014, страница 24 страница 24
  • ГОСТ 33011-2014, страница 25 страница 25
  • ГОСТ 33011-2014, страница 26 страница 26
  • ГОСТ 33011-2014, страница 27 страница 27
  • ГОСТ 33011-2014, страница 28 страница 28
  • ГОСТ 33011-2014, страница 29 страница 29
  • ГОСТ 33011-2014, страница 30 страница 30
  • ГОСТ 33011-2014, страница 31 страница 31
  • ГОСТ 33011-2014, страница 32 страница 32
  • ГОСТ 33011-2014, страница 33 страница 33
  • ГОСТ 33011-2014, страница 34 страница 34
  • ГОСТ 33011-2014, страница 35 страница 35
  • ГОСТ 33011-2014, страница 36 страница 36
  • ГОСТ 33011-2014, страница 37 страница 37
  • ГОСТ 33011-2014, страница 38 страница 38
  • ГОСТ 33011-2014, страница 39 страница 39
  • ГОСТ 33011-2014, страница 40 страница 40
  • ГОСТ 33011-2014, страница 41 страница 41
  • ГОСТ 33011-2014, страница 42 страница 42
  • ГОСТ 33011-2014, страница 43 страница 43
  • ГОСТ 33011-2014, страница 44 страница 44
  • ГОСТ 33011-2014, страница 45 страница 45
  • ГОСТ 33011-2014, страница 46 страница 46
  • ГОСТ 33011-2014, страница 47 страница 47
  • ГОСТ 33011-2014, страница 48 страница 48
  • ГОСТ 33011-2014, страница 49 страница 49
  • ГОСТ 33011-2014, страница 50 страница 50
  • ГОСТ 33011-2014, страница 51 страница 51
  • ГОСТ 33011-2014, страница 52 страница 52
  • ГОСТ 33011-2014, страница 53 страница 53
  • ГОСТ 33011-2014, страница 54 страница 54
  • ГОСТ 33011-2014, страница 55 страница 55
  • ГОСТ 33011-2014, страница 56 страница 56
  • ГОСТ 33011-2014, страница 57 страница 57
  • ГОСТ 33011-2014, страница 58 страница 58
  • ГОСТ 33011-2014, страница 59 страница 59
  • ГОСТ 33011-2014, страница 60 страница 60
  • ГОСТ 33011-2014, страница 61 страница 61
  • ГОСТ 33011-2014, страница 62 страница 62
  • ГОСТ 33011-2014, страница 63 страница 63
  • ГОСТ 33011-2014, страница 64 страница 64
  • ГОСТ 33011-2014, страница 65 страница 65
  • ГОСТ 33011-2014, страница 66 страница 66
  • ГОСТ 33011-2014, страница 67 страница 67
  • ГОСТ 33011-2014, страница 68 страница 68
  • ГОСТ 33011-2014, страница 69 страница 69
  • ГОСТ 33011-2014, страница 70 страница 70
  • ГОСТ 33011-2014, страница 71 страница 71
  • ГОСТ 33011-2014, страница 72 страница 72
  • ГОСТ 33011-2014, страница 73 страница 73
  • ГОСТ 33011-2014, страница 74 страница 74
  • ГОСТ 33011-2014, страница 75 страница 75
  • ГОСТ 33011-2014, страница 76 страница 76
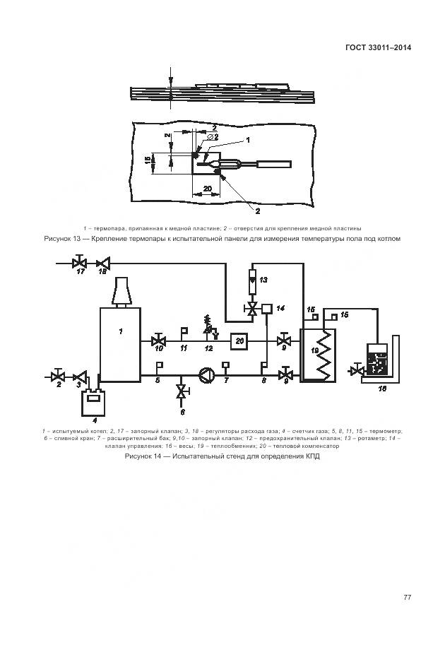
  • ГОСТ 33011-2014, страница 77 страница 77
  • ГОСТ 33011-2014, страница 78 страница 78
  • ГОСТ 33011-2014, страница 79 страница 79
  • ГОСТ 33011-2014, страница 80 страница 80
  • ГОСТ 33011-2014, страница 81 страница 81
  • ГОСТ 33011-2014, страница 82 страница 82
  • ГОСТ 33011-2014, страница 83 страница 83
  • ГОСТ 33011-2014, страница 84 страница 84
  • ГОСТ 33011-2014, страница 85 страница 85
  • ГОСТ 33011-2014, страница 86 страница 86
  • ГОСТ 33011-2014, страница 87 страница 87
  • ГОСТ 33011-2014, страница 88 страница 88
  • ГОСТ 33011-2014, страница 89 страница 89
  • ГОСТ 33011-2014, страница 90 страница 90
  • ГОСТ 33011-2014, страница 91 страница 91
  • ГОСТ 33011-2014, страница 92 страница 92
  • ГОСТ 33011-2014, страница 93 страница 93
  • ГОСТ 33011-2014, страница 94 страница 94
  • ГОСТ 33011-2014, страница 95 страница 95
  • ГОСТ 33011-2014, страница 96 страница 96
  • ГОСТ 33011-2014, страница 97 страница 97
  • ГОСТ 33011-2014, страница 98 страница 98
  • ГОСТ 33011-2014, страница 99 страница 99
  • ГОСТ 33011-2014, страница 100 страница 100
  • ГОСТ 33011-2014, страница 101 страница 101
  • ГОСТ 33011-2014, страница 102 страница 102
  • ГОСТ 33011-2014, страница 103 страница 103
  • ГОСТ 33011-2014, страница 104 страница 104
  • ГОСТ 33011-2014, страница 105 страница 105
  • ГОСТ 33011-2014, страница 106 страница 106
  • ГОСТ 33011-2014, страница 107 страница 107
  • ГОСТ 33011-2014, страница 108 страница 108
  • ГОСТ 33011-2014, страница 109 страница 109
  • ГОСТ 33011-2014, страница 110 страница 110
  • ГОСТ 33011-2014, страница 111 страница 111
  • ГОСТ 33011-2014, страница 112 страница 112
  • ГОСТ 33011-2014, страница 113 страница 113
  • ГОСТ 33011-2014, страница 114 страница 114
  • ГОСТ 33011-2014, страница 115 страница 115
  • ГОСТ 33011-2014, страница 116 страница 116
  • ГОСТ 33011-2014, страница 117 страница 117
  • ГОСТ 33011-2014, страница 118 страница 118
  • ГОСТ 33011-2014, страница 119 страница 119