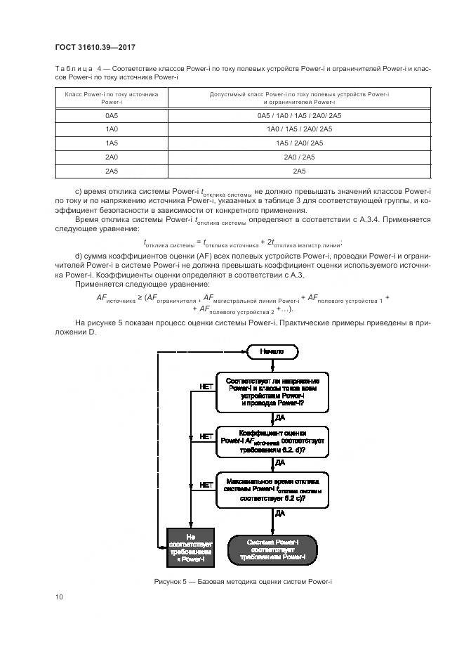
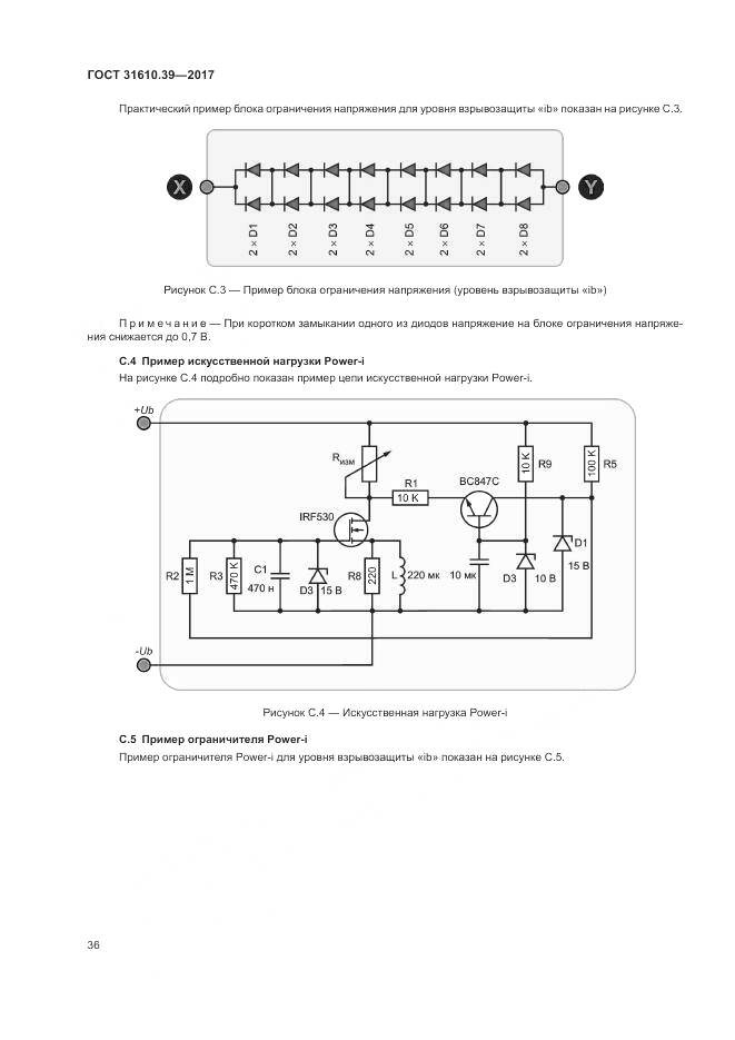
ГОСТ 31610.39-2017 Взрывоопасные среды. Часть 39. Искробезопасные системы с электронным ограничением длительности искрового разряда

Категории ГОСТ 31610.39-2017 по ОКС:
Статус документа:
действует, введён в действие 01.06.2019
Название на английском языке:
Explosive atmospheres. Part 39. Intrinsically safe systems with electronically controlled spark duration limitation
Дата актуализации информации по стандарту:
19.06.2025, в 19:29 (менее полугода назад)
Вид стандарта:
Стандарты на продукцию (услуги)
Дата начала действия ГОСТа:
2019-06-01
Дата последнего издания документа:
2018-11-29
Число страниц:
47
Назначение ГОСТ 31610.39-2017:
Настоящий стандарт устанавливает требования к конструкции, проведению испытаний, монтажу и техническому обслуживанию оборудования и систем Power-i, в которых применяется электронное ограничение длительности искрового разряда для обеспечения необходимого уровня искробезопасности. Настоящий стандарт устанавливает требования к искробезопасному оборудованию и проводке, предназначенным для применения во взрывоопасных средах и к связанному оборудованию, предназначенному для подключения к искробезопасным цепям, которые располагаются во взрывоопасных средах. Требования настоящего стандарта не распространяются на уровень взрывозащиты «ia», а также цепи с программным управлением. Настоящий стандарт распространяется на электрооборудование, работающее при напряжении не более 40 В постоянного тока, и с коэффициентом безопасности 1,5 групп и подгрупп IIB, IIA, I и III, а также на оборудование «ic» подгруппы IIC с коэффициентом безопасности 1,0. В отношении оборудования «ib» подгруппы IIC с коэффициентом безопасности 1,5 данный стандарт может применяться только при напряжении не более 32 В постоянного тока. Данный вид взрывозащиты применяют на электрооборудовании, электрические цепи которого не способны сами привести к взрыву окружающей взрывоопасной среды. Настоящий стандарт распространяется на искробезопасное оборудование и системы, в которых применяется электронное ограничение длительности искрового разряда для обеспечения большей электрической мощности при поддержании необходимого уровня безопасности. Настоящий стандарт также распространяется на электрооборудование или части электрооборудования, расположенные вне взрывоопасной среды или имеющие другой вид взрывозащиты из стандартов ГОСТ, разработанных на основе серии стандартов IEC 60079, когда искробезопасность электрических цепей во взрывоопасных средах может зависеть от проектирования и конструкции подобного электрооборудования или его частей. Настоящий стандарт применяют для оценки возможности применения электрических цепей во взрывоопасных средах. Настоящий стандарт дополняет и изменяет требования ГОСТ 31610.0, ГОСТ 31610.11, ГОСТ IEC 60079-14, ГОСТ IEC 60079-17 и ГОСТ IEC 60079-25
Документ разработан орг-ей:
Федеральное агентство по техническому регулированию и метрологии (Росстандарт)
Документ принят орг-ей:
Межгосударственный Совет по стандартизации метрологии и сертификации, протокол №52-2017
Ключевые слова документа:
power-i, электронное ограничение длительности разряда

Скачать ГОСТ 31610.39-2017 вы можете в следующих версиях:

В данный момент версий документа для скачивания не добавлено.

Мы стараемся пополнять базу документов еженедельно и из разных источников, в обозримом будущем версии для этого ГОСТа появятся.

Вы можете просмотреть online текст стандарта ГОСТ 31610.39-2017

Просмотреть текст ГОСТ 31610.39-2017

Текст стандарта

  • ГОСТ 31610.39-2017, страница 1 страница 1
  • ГОСТ 31610.39-2017, страница 2 страница 2
  • ГОСТ 31610.39-2017, страница 3 страница 3
  • ГОСТ 31610.39-2017, страница 4 страница 4
  • ГОСТ 31610.39-2017, страница 5 страница 5
  • ГОСТ 31610.39-2017, страница 6 страница 6
  • ГОСТ 31610.39-2017, страница 7 страница 7
  • ГОСТ 31610.39-2017, страница 8 страница 8
  • ГОСТ 31610.39-2017, страница 9 страница 9
  • ГОСТ 31610.39-2017, страница 10 страница 10
  • ГОСТ 31610.39-2017, страница 11 страница 11
  • ГОСТ 31610.39-2017, страница 12 страница 12
  • ГОСТ 31610.39-2017, страница 13 страница 13
  • ГОСТ 31610.39-2017, страница 14 страница 14
  • ГОСТ 31610.39-2017, страница 15 страница 15
  • ГОСТ 31610.39-2017, страница 16 страница 16
  • ГОСТ 31610.39-2017, страница 17 страница 17
  • ГОСТ 31610.39-2017, страница 18 страница 18
  • ГОСТ 31610.39-2017, страница 19 страница 19
  • ГОСТ 31610.39-2017, страница 20 страница 20
  • ГОСТ 31610.39-2017, страница 21 страница 21
  • ГОСТ 31610.39-2017, страница 22 страница 22
  • ГОСТ 31610.39-2017, страница 23 страница 23
  • ГОСТ 31610.39-2017, страница 24 страница 24
  • ГОСТ 31610.39-2017, страница 25 страница 25
  • ГОСТ 31610.39-2017, страница 26 страница 26
  • ГОСТ 31610.39-2017, страница 27 страница 27
  • ГОСТ 31610.39-2017, страница 28 страница 28
  • ГОСТ 31610.39-2017, страница 29 страница 29
  • ГОСТ 31610.39-2017, страница 30 страница 30
  • ГОСТ 31610.39-2017, страница 31 страница 31
  • ГОСТ 31610.39-2017, страница 32 страница 32
  • ГОСТ 31610.39-2017, страница 33 страница 33
  • ГОСТ 31610.39-2017, страница 34 страница 34
  • ГОСТ 31610.39-2017, страница 35 страница 35
  • ГОСТ 31610.39-2017, страница 36 страница 36
  • ГОСТ 31610.39-2017, страница 37 страница 37
  • ГОСТ 31610.39-2017, страница 38 страница 38
  • ГОСТ 31610.39-2017, страница 39 страница 39
  • ГОСТ 31610.39-2017, страница 40 страница 40
  • ГОСТ 31610.39-2017, страница 41 страница 41
  • ГОСТ 31610.39-2017, страница 42 страница 42
  • ГОСТ 31610.39-2017, страница 43 страница 43
  • ГОСТ 31610.39-2017, страница 44 страница 44
  • ГОСТ 31610.39-2017, страница 45 страница 45
  • ГОСТ 31610.39-2017, страница 46 страница 46
  • ГОСТ 31610.39-2017, страница 47 страница 47