ГОСТ 31610.11-2025 Взрывоопасные среды. Часть 11. Оборудование с видом взрывозащиты «искробезопасная электрическая цепь «i»

Категории ГОСТ 31610.11-2025 по ОКС:
Статус документа:
принят, введён в действие 01.01.2027
Название на английском языке:
Explosive atmospheres. Part 11. Equipment with type of explosion protection «intrinsically safe electrical circuit «i»
Дата актуализации информации по стандарту:
17.10.2025, в 18:55 (менее 3 месяцев назад)
Вид стандарта:
временно не известен
Дата начала действия ГОСТа:
2027-01-01
Число страниц:
218
Назначение ГОСТ 31610.11-2025:
не указано

Скачать ГОСТ 31610.11-2025 вы можете в следующих версиях:

Тип файла:
Дата добавления:
Загрузок:
Размер:
Тип файла:
PDF с изображениями
Добавлен:
21/11/2025 10:24
Скачиваний:
4
Размер файла:
69.8 Мб
  • ГОСТ 31610.11-2025, страница 1 страница 1
  • ГОСТ 31610.11-2025, страница 2 страница 2
  • ГОСТ 31610.11-2025, страница 3 страница 3
  • ГОСТ 31610.11-2025, страница 4 страница 4
  • ГОСТ 31610.11-2025, страница 5 страница 5
  • ГОСТ 31610.11-2025, страница 6 страница 6
  • ГОСТ 31610.11-2025, страница 7 страница 7
  • ГОСТ 31610.11-2025, страница 8 страница 8
  • ГОСТ 31610.11-2025, страница 9 страница 9
  • ГОСТ 31610.11-2025, страница 10 страница 10
  • ГОСТ 31610.11-2025, страница 11 страница 11
  • ГОСТ 31610.11-2025, страница 12 страница 12
  • ГОСТ 31610.11-2025, страница 13 страница 13
  • ГОСТ 31610.11-2025, страница 14 страница 14
  • ГОСТ 31610.11-2025, страница 15 страница 15
  • ГОСТ 31610.11-2025, страница 16 страница 16
  • ГОСТ 31610.11-2025, страница 17 страница 17
  • ГОСТ 31610.11-2025, страница 18 страница 18
  • ГОСТ 31610.11-2025, страница 19 страница 19
  • ГОСТ 31610.11-2025, страница 20 страница 20
  • ГОСТ 31610.11-2025, страница 21 страница 21
  • ГОСТ 31610.11-2025, страница 22 страница 22
  • ГОСТ 31610.11-2025, страница 23 страница 23
  • ГОСТ 31610.11-2025, страница 24 страница 24
  • ГОСТ 31610.11-2025, страница 25 страница 25
  • ГОСТ 31610.11-2025, страница 26 страница 26
  • ГОСТ 31610.11-2025, страница 27 страница 27
  • ГОСТ 31610.11-2025, страница 28 страница 28
  • ГОСТ 31610.11-2025, страница 29 страница 29
  • ГОСТ 31610.11-2025, страница 30 страница 30
  • ГОСТ 31610.11-2025, страница 31 страница 31
  • ГОСТ 31610.11-2025, страница 32 страница 32
  • ГОСТ 31610.11-2025, страница 33 страница 33
  • ГОСТ 31610.11-2025, страница 34 страница 34
  • ГОСТ 31610.11-2025, страница 35 страница 35
  • ГОСТ 31610.11-2025, страница 36 страница 36
  • ГОСТ 31610.11-2025, страница 37 страница 37
  • ГОСТ 31610.11-2025, страница 38 страница 38
  • ГОСТ 31610.11-2025, страница 39 страница 39
  • ГОСТ 31610.11-2025, страница 40 страница 40
  • ГОСТ 31610.11-2025, страница 41 страница 41
  • ГОСТ 31610.11-2025, страница 42 страница 42
  • ГОСТ 31610.11-2025, страница 43 страница 43
  • ГОСТ 31610.11-2025, страница 44 страница 44
  • ГОСТ 31610.11-2025, страница 45 страница 45
  • ГОСТ 31610.11-2025, страница 46 страница 46
  • ГОСТ 31610.11-2025, страница 47 страница 47
  • ГОСТ 31610.11-2025, страница 48 страница 48
  • ГОСТ 31610.11-2025, страница 49 страница 49
  • ГОСТ 31610.11-2025, страница 50 страница 50
  • ГОСТ 31610.11-2025, страница 51 страница 51
  • ГОСТ 31610.11-2025, страница 52 страница 52
  • ГОСТ 31610.11-2025, страница 53 страница 53
  • ГОСТ 31610.11-2025, страница 54 страница 54
  • ГОСТ 31610.11-2025, страница 55 страница 55
  • ГОСТ 31610.11-2025, страница 56 страница 56
  • ГОСТ 31610.11-2025, страница 57 страница 57
  • ГОСТ 31610.11-2025, страница 58 страница 58
  • ГОСТ 31610.11-2025, страница 59 страница 59
  • ГОСТ 31610.11-2025, страница 60 страница 60
  • ГОСТ 31610.11-2025, страница 61 страница 61
  • ГОСТ 31610.11-2025, страница 62 страница 62
  • ГОСТ 31610.11-2025, страница 63 страница 63
  • ГОСТ 31610.11-2025, страница 64 страница 64
  • ГОСТ 31610.11-2025, страница 65 страница 65
  • ГОСТ 31610.11-2025, страница 66 страница 66
  • ГОСТ 31610.11-2025, страница 67 страница 67
  • ГОСТ 31610.11-2025, страница 68 страница 68
  • ГОСТ 31610.11-2025, страница 69 страница 69
  • ГОСТ 31610.11-2025, страница 70 страница 70
  • ГОСТ 31610.11-2025, страница 71 страница 71
  • ГОСТ 31610.11-2025, страница 72 страница 72
  • ГОСТ 31610.11-2025, страница 73 страница 73
  • ГОСТ 31610.11-2025, страница 74 страница 74
  • ГОСТ 31610.11-2025, страница 75 страница 75
  • ГОСТ 31610.11-2025, страница 76 страница 76
  • ГОСТ 31610.11-2025, страница 77 страница 77
  • ГОСТ 31610.11-2025, страница 78 страница 78
  • ГОСТ 31610.11-2025, страница 79 страница 79
  • ГОСТ 31610.11-2025, страница 80 страница 80
  • ГОСТ 31610.11-2025, страница 81 страница 81
  • ГОСТ 31610.11-2025, страница 82 страница 82
  • ГОСТ 31610.11-2025, страница 83 страница 83
  • ГОСТ 31610.11-2025, страница 84 страница 84
  • ГОСТ 31610.11-2025, страница 85 страница 85
  • ГОСТ 31610.11-2025, страница 86 страница 86
  • ГОСТ 31610.11-2025, страница 87 страница 87
  • ГОСТ 31610.11-2025, страница 88 страница 88
  • ГОСТ 31610.11-2025, страница 89 страница 89
  • ГОСТ 31610.11-2025, страница 90 страница 90
  • ГОСТ 31610.11-2025, страница 91 страница 91
  • ГОСТ 31610.11-2025, страница 92 страница 92
  • ГОСТ 31610.11-2025, страница 93 страница 93
  • ГОСТ 31610.11-2025, страница 94 страница 94
  • ГОСТ 31610.11-2025, страница 95 страница 95
  • ГОСТ 31610.11-2025, страница 96 страница 96
  • ГОСТ 31610.11-2025, страница 97 страница 97
  • ГОСТ 31610.11-2025, страница 98 страница 98
  • ГОСТ 31610.11-2025, страница 99 страница 99
  • ГОСТ 31610.11-2025, страница 100 страница 100
  • ГОСТ 31610.11-2025, страница 101 страница 101
  • ГОСТ 31610.11-2025, страница 102 страница 102
  • ГОСТ 31610.11-2025, страница 103 страница 103
  • ГОСТ 31610.11-2025, страница 104 страница 104
  • ГОСТ 31610.11-2025, страница 105 страница 105
  • ГОСТ 31610.11-2025, страница 106 страница 106
  • ГОСТ 31610.11-2025, страница 107 страница 107
  • ГОСТ 31610.11-2025, страница 108 страница 108
  • ГОСТ 31610.11-2025, страница 109 страница 109
  • ГОСТ 31610.11-2025, страница 110 страница 110
  • ГОСТ 31610.11-2025, страница 111 страница 111
  • ГОСТ 31610.11-2025, страница 112 страница 112
  • ГОСТ 31610.11-2025, страница 113 страница 113
  • ГОСТ 31610.11-2025, страница 114 страница 114
  • ГОСТ 31610.11-2025, страница 115 страница 115
  • ГОСТ 31610.11-2025, страница 116 страница 116
  • ГОСТ 31610.11-2025, страница 117 страница 117
  • ГОСТ 31610.11-2025, страница 118 страница 118
  • ГОСТ 31610.11-2025, страница 119 страница 119
  • ГОСТ 31610.11-2025, страница 120 страница 120
  • ГОСТ 31610.11-2025, страница 121 страница 121
  • ГОСТ 31610.11-2025, страница 122 страница 122
  • ГОСТ 31610.11-2025, страница 123 страница 123
  • ГОСТ 31610.11-2025, страница 124 страница 124
  • ГОСТ 31610.11-2025, страница 125 страница 125
  • ГОСТ 31610.11-2025, страница 126 страница 126
  • ГОСТ 31610.11-2025, страница 127 страница 127
  • ГОСТ 31610.11-2025, страница 128 страница 128
  • ГОСТ 31610.11-2025, страница 129 страница 129
  • ГОСТ 31610.11-2025, страница 130 страница 130
  • ГОСТ 31610.11-2025, страница 131 страница 131
  • ГОСТ 31610.11-2025, страница 132 страница 132
  • ГОСТ 31610.11-2025, страница 133 страница 133
  • ГОСТ 31610.11-2025, страница 134 страница 134
  • ГОСТ 31610.11-2025, страница 135 страница 135
  • ГОСТ 31610.11-2025, страница 136 страница 136
  • ГОСТ 31610.11-2025, страница 137 страница 137
  • ГОСТ 31610.11-2025, страница 138 страница 138
  • ГОСТ 31610.11-2025, страница 139 страница 139
  • ГОСТ 31610.11-2025, страница 140 страница 140
  • ГОСТ 31610.11-2025, страница 141 страница 141
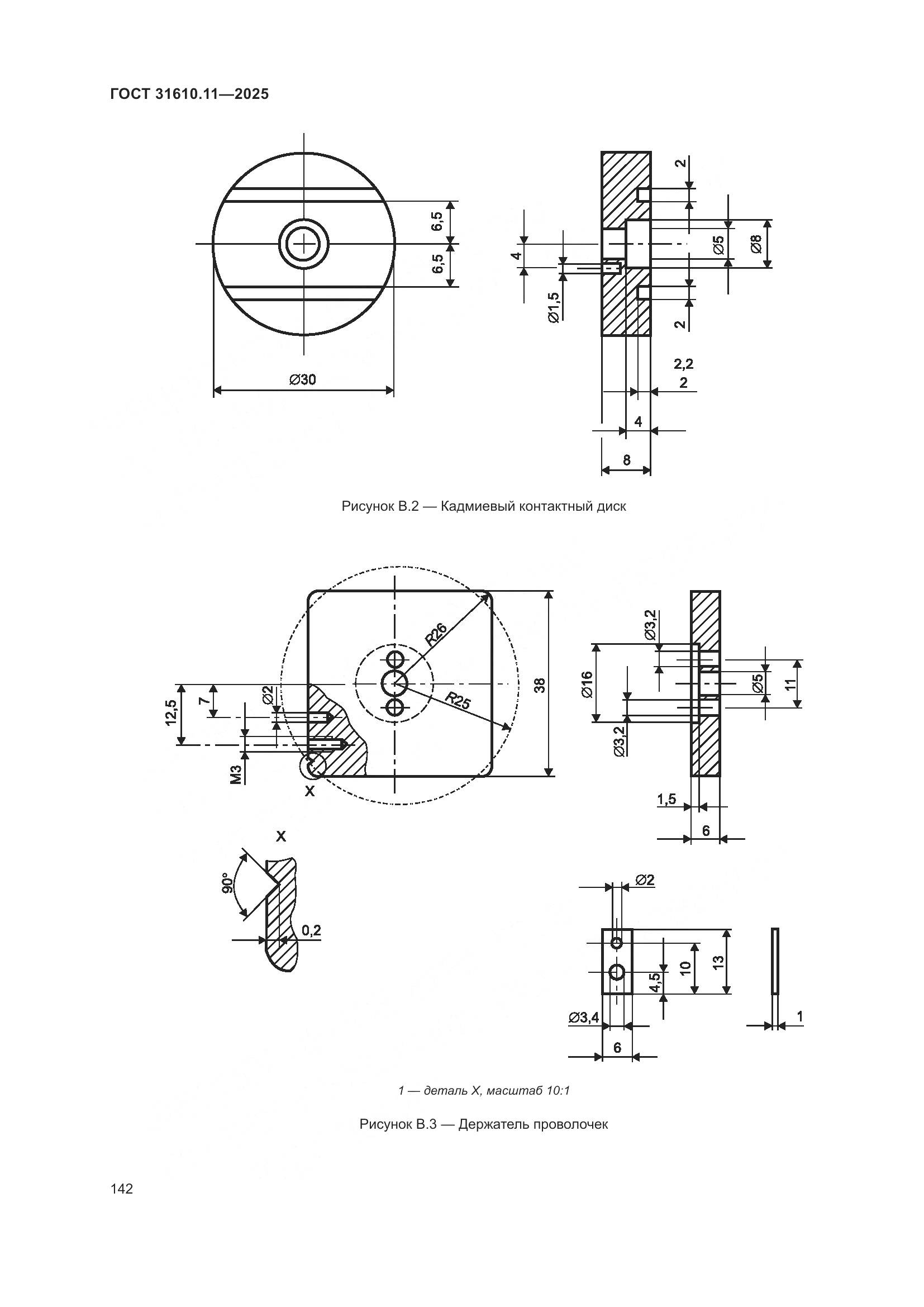
  • ГОСТ 31610.11-2025, страница 142 страница 142
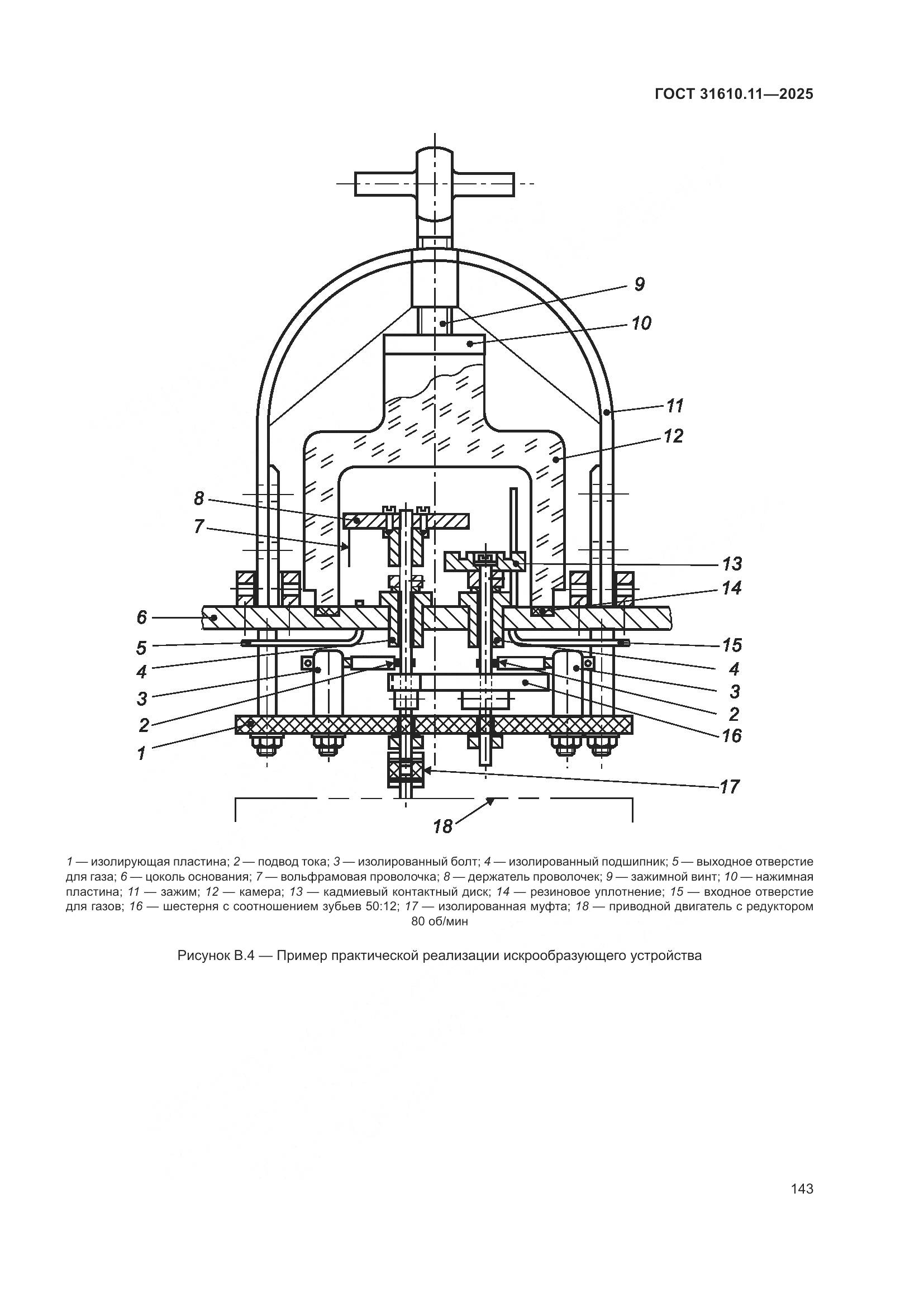
  • ГОСТ 31610.11-2025, страница 143 страница 143
  • ГОСТ 31610.11-2025, страница 144 страница 144
  • ГОСТ 31610.11-2025, страница 145 страница 145
  • ГОСТ 31610.11-2025, страница 146 страница 146
  • ГОСТ 31610.11-2025, страница 147 страница 147
  • ГОСТ 31610.11-2025, страница 148 страница 148
  • ГОСТ 31610.11-2025, страница 149 страница 149
  • ГОСТ 31610.11-2025, страница 150 страница 150
  • ГОСТ 31610.11-2025, страница 151 страница 151
  • ГОСТ 31610.11-2025, страница 152 страница 152
  • ГОСТ 31610.11-2025, страница 153 страница 153
  • ГОСТ 31610.11-2025, страница 154 страница 154
  • ГОСТ 31610.11-2025, страница 155 страница 155
  • ГОСТ 31610.11-2025, страница 156 страница 156
  • ГОСТ 31610.11-2025, страница 157 страница 157
  • ГОСТ 31610.11-2025, страница 158 страница 158
  • ГОСТ 31610.11-2025, страница 159 страница 159
  • ГОСТ 31610.11-2025, страница 160 страница 160
  • ГОСТ 31610.11-2025, страница 161 страница 161
  • ГОСТ 31610.11-2025, страница 162 страница 162
  • ГОСТ 31610.11-2025, страница 163 страница 163
  • ГОСТ 31610.11-2025, страница 164 страница 164
  • ГОСТ 31610.11-2025, страница 165 страница 165
  • ГОСТ 31610.11-2025, страница 166 страница 166
  • ГОСТ 31610.11-2025, страница 167 страница 167
  • ГОСТ 31610.11-2025, страница 168 страница 168
  • ГОСТ 31610.11-2025, страница 169 страница 169
  • ГОСТ 31610.11-2025, страница 170 страница 170
  • ГОСТ 31610.11-2025, страница 171 страница 171
  • ГОСТ 31610.11-2025, страница 172 страница 172
  • ГОСТ 31610.11-2025, страница 173 страница 173
  • ГОСТ 31610.11-2025, страница 174 страница 174
  • ГОСТ 31610.11-2025, страница 175 страница 175
  • ГОСТ 31610.11-2025, страница 176 страница 176
  • ГОСТ 31610.11-2025, страница 177 страница 177
  • ГОСТ 31610.11-2025, страница 178 страница 178
  • ГОСТ 31610.11-2025, страница 179 страница 179
  • ГОСТ 31610.11-2025, страница 180 страница 180
  • ГОСТ 31610.11-2025, страница 181 страница 181
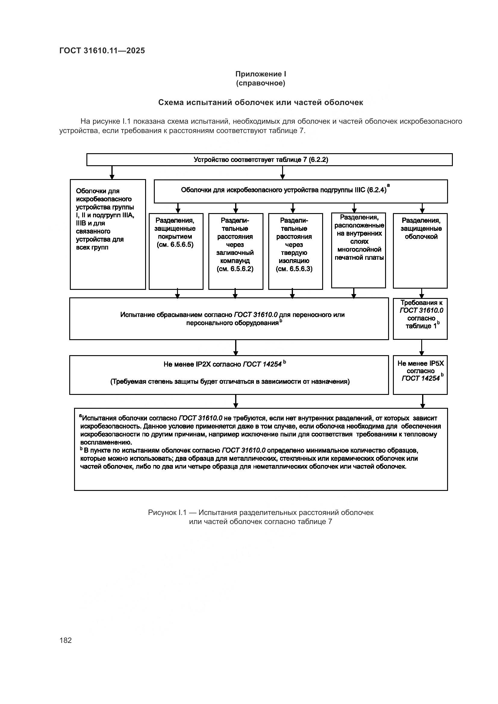
  • ГОСТ 31610.11-2025, страница 182 страница 182
  • ГОСТ 31610.11-2025, страница 183 страница 183
  • ГОСТ 31610.11-2025, страница 184 страница 184
  • ГОСТ 31610.11-2025, страница 185 страница 185
  • ГОСТ 31610.11-2025, страница 186 страница 186
  • ГОСТ 31610.11-2025, страница 187 страница 187
  • ГОСТ 31610.11-2025, страница 188 страница 188
  • ГОСТ 31610.11-2025, страница 189 страница 189
  • ГОСТ 31610.11-2025, страница 190 страница 190
  • ГОСТ 31610.11-2025, страница 191 страница 191
  • ГОСТ 31610.11-2025, страница 192 страница 192
  • ГОСТ 31610.11-2025, страница 193 страница 193
  • ГОСТ 31610.11-2025, страница 194 страница 194
  • ГОСТ 31610.11-2025, страница 195 страница 195
  • ГОСТ 31610.11-2025, страница 196 страница 196
  • ГОСТ 31610.11-2025, страница 197 страница 197
  • ГОСТ 31610.11-2025, страница 198 страница 198
  • ГОСТ 31610.11-2025, страница 199 страница 199
  • ГОСТ 31610.11-2025, страница 200 страница 200
  • ГОСТ 31610.11-2025, страница 201 страница 201
  • ГОСТ 31610.11-2025, страница 202 страница 202
  • ГОСТ 31610.11-2025, страница 203 страница 203
  • ГОСТ 31610.11-2025, страница 204 страница 204
  • ГОСТ 31610.11-2025, страница 205 страница 205
  • ГОСТ 31610.11-2025, страница 206 страница 206
  • ГОСТ 31610.11-2025, страница 207 страница 207
  • ГОСТ 31610.11-2025, страница 208 страница 208
  • ГОСТ 31610.11-2025, страница 209 страница 209
  • ГОСТ 31610.11-2025, страница 210 страница 210
  • ГОСТ 31610.11-2025, страница 211 страница 211
  • ГОСТ 31610.11-2025, страница 212 страница 212
  • ГОСТ 31610.11-2025, страница 213 страница 213
  • ГОСТ 31610.11-2025, страница 214 страница 214
  • ГОСТ 31610.11-2025, страница 215 страница 215
  • ГОСТ 31610.11-2025, страница 216 страница 216
  • ГОСТ 31610.11-2025, страница 217 страница 217
  • ГОСТ 31610.11-2025, страница 218 страница 218