ГОСТ 28379-2025 Шпатлевки ЭП-0010 и ЭП-0020. Технические условия

Категории ГОСТ 28379-2025 по ОКС:
Статус документа:
принят, введён в действие 01.03.2026
Название на английском языке:
Putties ЭП-0010 and ЭП-0020. Specifications
Дата актуализации информации по стандарту:
16.12.2025, в 12:15 (менее месяца назад)
Вид стандарта:
временно не известен
Дата начала действия ГОСТа:
2026-03-01
Число страниц:
20
Назначение ГОСТ 28379-2025:
не указано

Скачать ГОСТ 28379-2025 вы можете в следующих версиях:

Тип файла:
Дата добавления:
Загрузок:
Размер:
Тип файла:
PDF с изображениями
Добавлен:
16/12/2025 15:27
Скачиваний:
10
Размер файла:
4.83 Мб
  • ГОСТ 28379-2025, страница 1 страница 1
  • ГОСТ 28379-2025, страница 2 страница 2
  • ГОСТ 28379-2025, страница 3 страница 3
  • ГОСТ 28379-2025, страница 4 страница 4
  • ГОСТ 28379-2025, страница 5 страница 5
  • ГОСТ 28379-2025, страница 6 страница 6
  • ГОСТ 28379-2025, страница 7 страница 7
  • ГОСТ 28379-2025, страница 8 страница 8
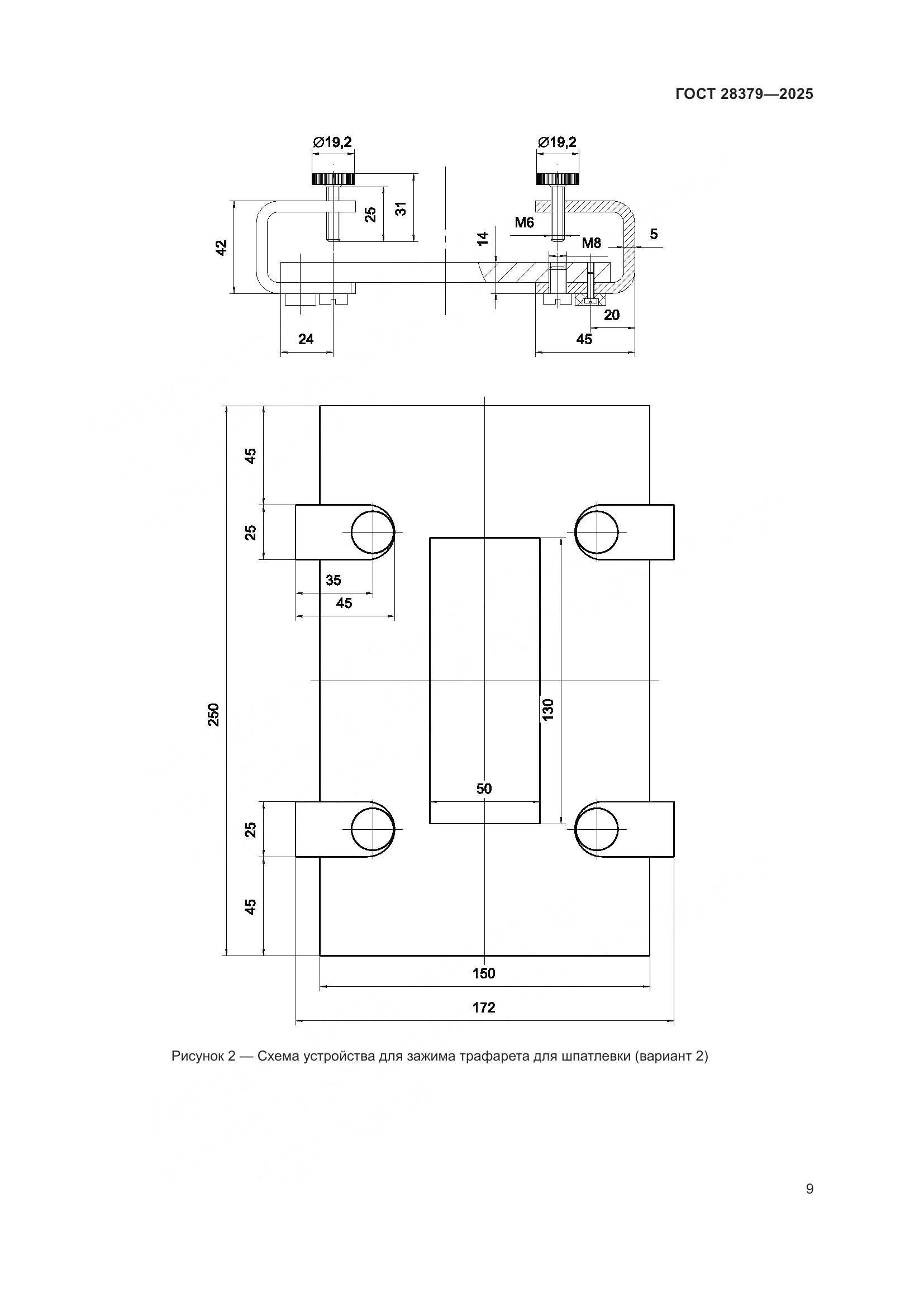
  • ГОСТ 28379-2025, страница 9 страница 9
  • ГОСТ 28379-2025, страница 10 страница 10
  • ГОСТ 28379-2025, страница 11 страница 11
  • ГОСТ 28379-2025, страница 12 страница 12
  • ГОСТ 28379-2025, страница 13 страница 13
  • ГОСТ 28379-2025, страница 14 страница 14
  • ГОСТ 28379-2025, страница 15 страница 15
  • ГОСТ 28379-2025, страница 16 страница 16
  • ГОСТ 28379-2025, страница 17 страница 17
  • ГОСТ 28379-2025, страница 18 страница 18
  • ГОСТ 28379-2025, страница 19 страница 19
  • ГОСТ 28379-2025, страница 20 страница 20