ГОСТ 26505-85 Инструмент для холодноштамповочных автоматов. Ножи отрезные. Конструкция и размеры

Категории ГОСТ 26505-85 по ОКС:
Статус документа:
действует, введён в действие 01.07.1987
Название на английском языке:
Tools for cold-forming machines. Gutters Construction and dimensions
Дата актуализации информации по стандарту:
15.09.2019, в 10:26 (более года назад)
Вид стандарта:
Стандарты на продукцию (услуги)
Дата начала действия ГОСТа:
1987-07-01
Дата последнего издания документа:
1985-10-29
Коды документа ГОСТ 26505-85:
Код ОКП:
396329
Код КГС:
Г22
Код ОКСТУ:
3963
Число страниц:
20
Назначение ГОСТ 26505-85:
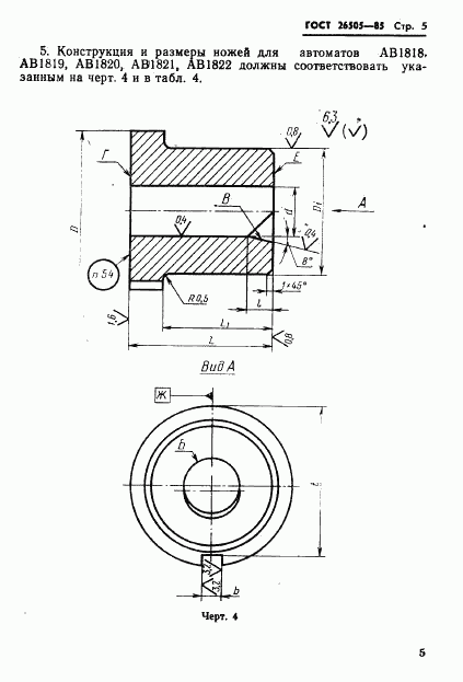
Настоящий стандарт распространяется на отрезные ножи с твердосплавными вставками для отрезки заготовок гаек номинальным диаметром резьбы от 4 до 20 мм
ГРНТИ индекс(ы):
553131
Этот ГОСТ входит в сборник:
Инструмент для производства гаек на холодноштамповочных автоматах
Ключевые слова документа:
инструмент, ножи отрезные, отрезка заготовок гаек

Скачать ГОСТ 26505-85 вы можете в следующих версиях:

Тип файла:
Дата добавления:
Загрузок:
Размер:
Тип файла:
PDF с изображениями
Добавлен:
12/12/2011 02:02
Скачиваний:
125
Размер файла:
0.5 Мб
Тип файла:
PDF с изображениями
Добавлен:
12/12/2011 01:57
Скачиваний:
159
Размер файла:
0.42 Мб

Поправки и изменения к ГОСТ 26505-85:

  • Наименование, вид:
    Дата
    регистрации:
    начала действия:
  • Изменение №1 к ГОСТ 26505-85

    Тип изменения: Текстовое изменение
    Номер изменения: 1
    Регистрационный номер: 3806
    Новое значение: -

    1989-12-19
    1991-01-01
  • ГОСТ 26505-85, страница 1 страница 1
  • ГОСТ 26505-85, страница 2 страница 2
  • ГОСТ 26505-85, страница 3 страница 3
  • ГОСТ 26505-85, страница 4 страница 4
  • ГОСТ 26505-85, страница 5 страница 5
  • ГОСТ 26505-85, страница 6 страница 6
  • ГОСТ 26505-85, страница 7 страница 7
  • ГОСТ 26505-85, страница 8 страница 8
  • ГОСТ 26505-85, страница 9 страница 9
  • ГОСТ 26505-85, страница 10 страница 10
  • ГОСТ 26505-85, страница 11 страница 11
  • ГОСТ 26505-85, страница 12 страница 12
  • ГОСТ 26505-85, страница 13 страница 13
  • ГОСТ 26505-85, страница 14 страница 14
  • ГОСТ 26505-85, страница 15 страница 15
  • ГОСТ 26505-85, страница 16 страница 16
  • ГОСТ 26505-85, страница 17 страница 17
  • ГОСТ 26505-85, страница 18 страница 18
  • ГОСТ 26505-85, страница 19 страница 19
  • ГОСТ 26505-85, страница 20 страница 20