ГОСТ 25007-81
ГОСТ 25007-81 Стык аппаратуры передачи данных с каналами связи систем передачи с частотным разделением каналов. Основные параметры сопряжения
Категории ГОСТ 25007-81 по ОКС:- 33. Телекоммуникации, аудио и видео
- 33.40. Телекоммуникационные системы
- 33.40.20 Системы передачи *включая синхронизацию, кабельные системы,интегрированные кабельные системы, магистрали и уплотнение каналов
- Статус документа:
- действует, введён в действие 01.01.1983
- Название на английском языке:
- Data transmission interface with communication channel transmission frequency separation system. Basic parameters at the interface
- Дата актуализации информации по стандарту:
- 14.09.2019, в 13:47 (более года назад)
- Вид стандарта:
- Стандарты на продукцию (услуги)
- Дата начала действия ГОСТа:
- 1983-01-01
- Дата последнего издания документа:
- 1981-12-22
Коды документа ГОСТ 25007-81:
- Код ОКП:
- 665530
- Код КГС:
- П85
- Код ОКСТУ:
- 6655
- Число страниц:
- 11
- Назначение ГОСТ 25007-81:
- Настоящий стандарт распространяется на стык С1 между устройством преобразования сигналов системы передачи данных и систем передачи с частотным разделением каналов
- ГРНТИ индекс(ы):
- 493733
- Ключевые слова документа:
- автоматизированная сеть связи, параметры, система передачи данных, сопряжения, стык
Нормативные ссылки, связанные с ГОСТ 25007-81:
- На стандарт ссылаются:
- ГОСТ Р 53530-2009, ГОСТ Р 51384-99, ГОСТ Р 51028-97, ГОСТ Р 51026-97, ГОСТ Р 51826-2001, ГОСТ Р 51820-2001, ГОСТ 28838-90, ГОСТ 28749-90, ГОСТ 24174-80, ГОСТ 20855-83, ГОСТ 28853-90, ГОСТ 4.395-85
Скачать ГОСТ 25007-81 вы можете в следующих версиях:
Тип файла:
Дата добавления:
Загрузок:
Размер:
Ссылка на скачивание:
Добавлен:
12/12/2011 02:01
Скачиваний:
267
Размер файла:
0.46 Мб
Ссылка для скачивания:
Поправки и изменения к ГОСТ 25007-81:
-
Наименование, вид:Датарегистрации:начала действия:Ссылка:
-
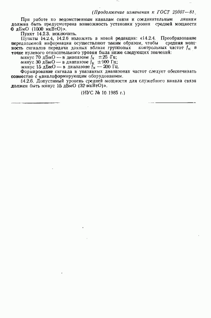
Изменение №1 к ГОСТ 25007-81
Тип изменения: Текстовое изменение
Номер изменения: 1
Регистрационный номер: 1930
1985-06-261986-01-01
-
страница 1
-
страница 2
-
страница 3
-
страница 4
-
страница 5
-
страница 6
-
страница 7
-
страница 8
-
страница 9
-
страница 10
-
страница 11