ГОСТ ISO 24410-2014 Машины землеройные. Установка cменного оборудования на погрузчики с бортовым поворотом

Категории ГОСТ ISO 24410-2014 по ОКС:
Статус документа:
действует, введён в действие 01.01.2025
Название на английском языке:
Earth-moving machinery. Coupling of attachments to skid steer loaders
Дата актуализации информации по стандарту:
21.08.2025, в 15:17 (менее 3 месяцев назад)
Вид стандарта:
временно не известен
Дата начала действия ГОСТа:
2025-01-01
Число страниц:
12
Назначение ГОСТ ISO 24410-2014:
не указано
Нормативные ссылки, связанные с ГОСТ ISO 24410-2014:

Скачать ГОСТ ISO 24410-2014 вы можете в следующих версиях:

В данный момент версий документа для скачивания не добавлено.

Мы стараемся пополнять базу документов еженедельно и из разных источников, в обозримом будущем версии для этого ГОСТа появятся.

Вы можете просмотреть online текст стандарта ГОСТ ISO 24410-2014

Просмотреть текст ГОСТ ISO 24410-2014

Текст стандарта

  • ГОСТ ISO 24410-2014, страница 1 страница 1
  • ГОСТ ISO 24410-2014, страница 2 страница 2
  • ГОСТ ISO 24410-2014, страница 3 страница 3
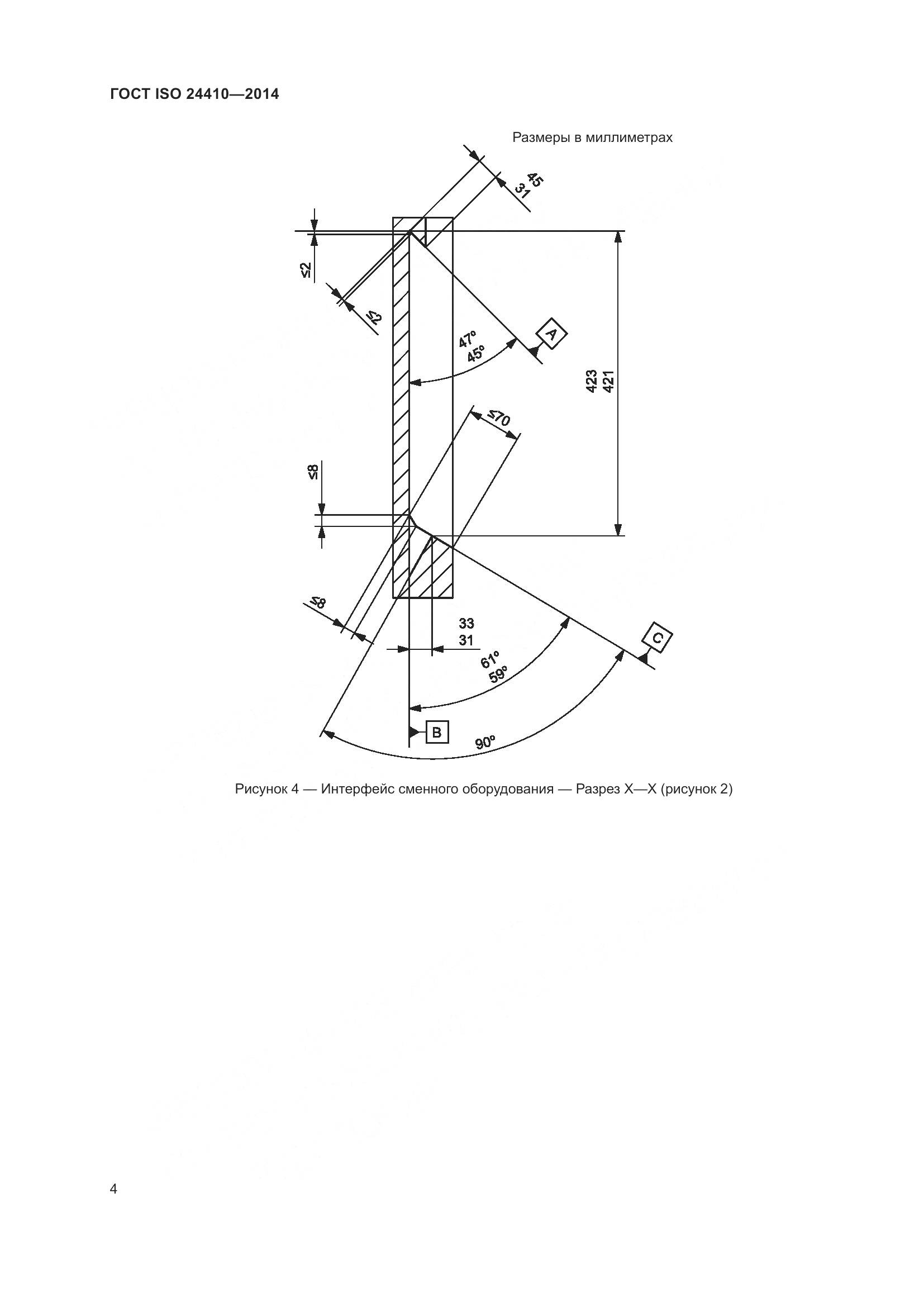
  • ГОСТ ISO 24410-2014, страница 4 страница 4
  • ГОСТ ISO 24410-2014, страница 5 страница 5
  • ГОСТ ISO 24410-2014, страница 6 страница 6
  • ГОСТ ISO 24410-2014, страница 7 страница 7
  • ГОСТ ISO 24410-2014, страница 8 страница 8
  • ГОСТ ISO 24410-2014, страница 9 страница 9
  • ГОСТ ISO 24410-2014, страница 10 страница 10
  • ГОСТ ISO 24410-2014, страница 11 страница 11
  • ГОСТ ISO 24410-2014, страница 12 страница 12