ГОСТ 10971-78 Кабели коаксиальные магистральные с парами типа 2,6/9,4 и 2,6/9,5. Технические условия

Категории ГОСТ 10971-78 по ОКС:
Статус документа:
действует, введён в действие 01.01.1980
Название на английском языке:
Main coaxial cables with type 2,6/9,4 and 2,6/9,5 pairs. Specifications
Дата актуализации информации по стандарту:
05.08.2025, в 12:49 (менее полугода назад)
Вид стандарта:
Стандарты на продукцию (услуги)
Дата начала действия ГОСТа:
1980-01-01
Дата последнего издания документа:
1985-08-01
Коды документа ГОСТ 10971-78:
Код ОКП:
357100
Код КГС:
Е45
Код ОКСТУ:
3571
Число страниц:
51
Назначение ГОСТ 10971-78:
Настоящий стандарт распространяется на магистральные коаксиальные кабели связи с четырьмя коаксиальными парами типа 2,6/9,4 с нормированными электрическими параметрами в диапазоне частот до 140 МГц, или типа 2,6/9,5 для диапазона частот до 60 МГц, пятью звездными четверками с металлическими оболочками различного типа (свинцовой, алюминиевой, алюминиево-свинцовой). Кабели предназначены для многоканальной связи и телевидения
ГРНТИ индекс(ы):
454735
Ссылки на прочие:
РС 816-67

Скачать ГОСТ 10971-78 вы можете в следующих версиях:

Тип файла:
Дата добавления:
Загрузок:
Размер:
Тип файла:
PDF с изображениями
Добавлен:
12/12/2011 01:59
Скачиваний:
329
Размер файла:
2.18 Мб

Поправки и изменения к ГОСТ 10971-78:

  • Наименование, вид:
    Дата
    регистрации:
    начала действия:
  • Изменение №1 к ГОСТ 10971-78

    Тип изменения: Текстовое изменение
    Номер изменения: 1
    Регистрационный номер: 3781
    Новое значение: -

    1981-08-11
    1982-01-01
  • Изменение №2 к ГОСТ 10971-78

    Тип изменения: Текстовое изменение
    Номер изменения: 2
    Регистрационный номер: 152
    Новое значение: -

    1982-01-13
    1983-07-01
  • Изменение №3 к ГОСТ 10971-78

    Тип изменения: Текстовое изменение
    Номер изменения: 3
    Регистрационный номер: 4110

    1983-08-31
    1984-01-01
  • Изменение №4 к ГОСТ 10971-78

    Тип изменения: Текстовое изменение
    Номер изменения: 4
    Регистрационный номер: 3871
    Новое значение: -

    1986-12-16
    1987-05-01
  • Изменение №5 к ГОСТ 10971-78

    Тип изменения: Текстовое изменение
    Номер изменения: 5
    Регистрационный номер: 539
    Новое значение: -

    1988-03-14
    1988-08-01
  • Изменение №6 к ГОСТ 10971-78

    Тип изменения: Текстовое изменение
    Номер изменения: 6
    Регистрационный номер: 282

    1996-04-17
    1996-07-01
  • ГОСТ 10971-78, страница 1 страница 1
  • ГОСТ 10971-78, страница 2 страница 2
  • ГОСТ 10971-78, страница 3 страница 3
  • ГОСТ 10971-78, страница 4 страница 4
  • ГОСТ 10971-78, страница 5 страница 5
  • ГОСТ 10971-78, страница 6 страница 6
  • ГОСТ 10971-78, страница 7 страница 7
  • ГОСТ 10971-78, страница 8 страница 8
  • ГОСТ 10971-78, страница 9 страница 9
  • ГОСТ 10971-78, страница 10 страница 10
  • ГОСТ 10971-78, страница 11 страница 11
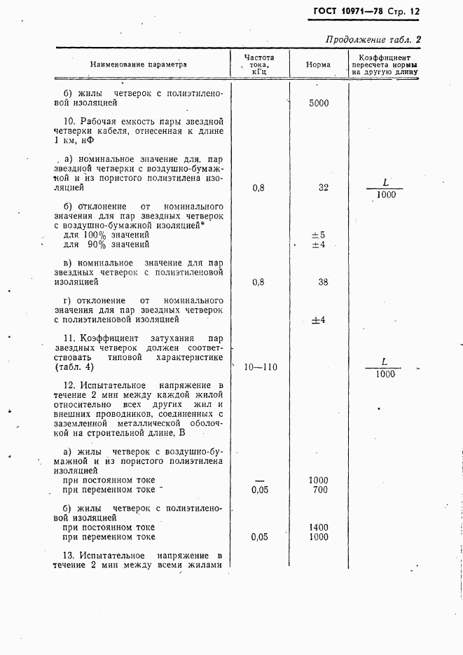
  • ГОСТ 10971-78, страница 12 страница 12
  • ГОСТ 10971-78, страница 13 страница 13
  • ГОСТ 10971-78, страница 14 страница 14
  • ГОСТ 10971-78, страница 15 страница 15
  • ГОСТ 10971-78, страница 16 страница 16
  • ГОСТ 10971-78, страница 17 страница 17
  • ГОСТ 10971-78, страница 18 страница 18
  • ГОСТ 10971-78, страница 19 страница 19
  • ГОСТ 10971-78, страница 20 страница 20
  • ГОСТ 10971-78, страница 21 страница 21
  • ГОСТ 10971-78, страница 22 страница 22
  • ГОСТ 10971-78, страница 23 страница 23
  • ГОСТ 10971-78, страница 24 страница 24
  • ГОСТ 10971-78, страница 25 страница 25
  • ГОСТ 10971-78, страница 26 страница 26
  • ГОСТ 10971-78, страница 27 страница 27
  • ГОСТ 10971-78, страница 28 страница 28
  • ГОСТ 10971-78, страница 29 страница 29
  • ГОСТ 10971-78, страница 30 страница 30
  • ГОСТ 10971-78, страница 31 страница 31
  • ГОСТ 10971-78, страница 32 страница 32
  • ГОСТ 10971-78, страница 33 страница 33
  • ГОСТ 10971-78, страница 34 страница 34
  • ГОСТ 10971-78, страница 35 страница 35
  • ГОСТ 10971-78, страница 36 страница 36
  • ГОСТ 10971-78, страница 37 страница 37
  • ГОСТ 10971-78, страница 38 страница 38
  • ГОСТ 10971-78, страница 39 страница 39
  • ГОСТ 10971-78, страница 40 страница 40
  • ГОСТ 10971-78, страница 41 страница 41
  • ГОСТ 10971-78, страница 42 страница 42
  • ГОСТ 10971-78, страница 43 страница 43
  • ГОСТ 10971-78, страница 44 страница 44
  • ГОСТ 10971-78, страница 45 страница 45
  • ГОСТ 10971-78, страница 46 страница 46
  • ГОСТ 10971-78, страница 47 страница 47
  • ГОСТ 10971-78, страница 48 страница 48
  • ГОСТ 10971-78, страница 49 страница 49
  • ГОСТ 10971-78, страница 50 страница 50
  • ГОСТ 10971-78, страница 51 страница 51